Конструктивные особенности и преимущества
Геометрия гайки Art. 9061 разработана с учетом требований к прочности и визуальной чистоте готового изделия. Ключевые технические характеристики включают:
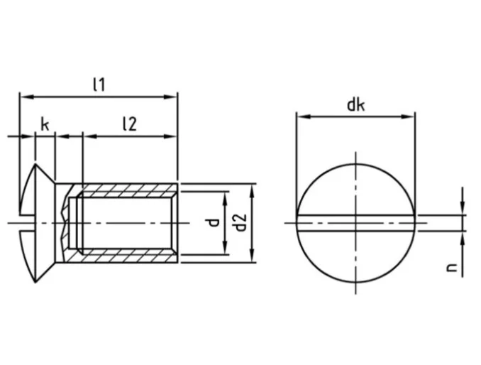
- Полупотайная головка: Обеспечивает аккуратный переход между плоскостью материала и крепежом. В отличие от полностью потайных головок, полупотайная форма создает мягкий эстетичный выступ, который часто используется как элемент дизайна.
- Прямой шлиц (Slotted): Классический тип привода, позволяющий производить монтаж и регулировку с помощью стандартной плоской отвертки, что упрощает сборку в бытовых условиях.
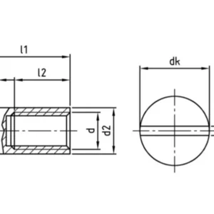
- Цилиндрическое тело: Гладкая внешняя поверхность втулки плотно входит в подготовленное отверстие, предотвращая перекосы и обеспечивая соосность соединяемых деталей.
- Материал исполнения: Использование нержавеющих сталей (A1 — для стандартных условий, A4 — для кислотостойких сред) исключает появление коррозии и «рыжих» пятен на древесине или ЛДСП.
Технические характеристики материала
Выбор марки стали напрямую зависит от условий эксплуатации изделия:
Нержавеющая сталь A1 (AISI 303): Оптимальна для производства мебельной фурнитуры благодаря отличной обрабатываемости. Обладает высокой стойкостью к износу и достаточной коррозионной устойчивостью для использования внутри помещений.
Нержавеющая сталь A4 (AISI 316): Содержит добавку молибдена, что делает гайку практически неуязвимой для воздействия соленой воды, хлора и кислот. Рекомендуется для мебели, используемой в ванных комнатах, бассейнах, лабораториях или на открытых террасах в прибрежных зонах.
Сфера применения
Гайка-стяжка Art. 9061 широко востребована в следующих областях:
- Корпусная мебель: стяжка боковин шкафов, монтаж полок и перегородок.
- Лестничные ограждения: соединение деревянных элементов с металлическими каркасами.
- Производство кроватей и столов: создание нагруженных узлов, требующих многократной сборки/разборки.
- Декоративная отделка: крепление фасадных панелей к несущим конструкциям.
Благодаря своей надежности и коррозионной стойкости, данная гайка является профессиональным выбором для производителей мебели премиум-сегмента и конструкций, рассчитанных на длительный срок службы.
| d | шаг резьбы, мм | d2, мм | l1, мм | l2, мм | dk, мм | k, мм | n, мм |
| М4 | 0,7 | 5 | 12 | 7 | 7 | 1,5 | 1,2 |
| М5 | 0,8 | 6 | 15 | 9 | 9 | 1,5 | 1,2 |
| М6 | 1,0 | 7,5 | 15 | 9 | 10 | 1,5 | 1,6 |
| М8 | 1,25 | 10 | 20 | 9 | 15 | 3 | 2 |
Выбирая сотрудничество с нами, вы доверяете профессионалам, которые ценят сотрудничество с каждой компанией. Мы предлагаем условия, выделяющие нас на рынке Республики Беларусь:
- Более чем адекватные цены: Мы работаем напрямую с ведущими производителями, что позволяет нам предлагать конкурентноспособную стоимость без ущерба для качества продукции.
- Гарантия качества и сертификация: Весь товарный ассортимент соответствует техническим стандартам.
- Статус надежного партнера: Компания «Хипакс» зарекомендовала себя как проверенный поставщик крепежных изделий. Мы гарантируем широкий ассортимент товара на складе, оперативную отгрузку и индивидуальный подход к каждому заказу.
Нужна консультация? Свяжитесь с нашими специалистами — мы поможем подобрать оптимальное решение для ваших задач по лучшей цене!







