Технические преимущества и конструктивные особенности
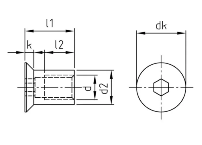
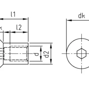
- Потайная головка: Обеспечивает установку впотай, что позволяет метизу не выступать над поверхностью материала. Это критически важно как для эстетики изделия, так и для безопасности эксплуатации готовой мебели.
- Внутренний шестигранник: Гарантирует надежное сцепление с битой или ключом, предотвращая проскальзывание инструмента даже при многократной сборке и разборке конструкции.
- Цилиндрическое тело: Скрывает резьбовую часть ответного винта, защищая соединение от загрязнений и придавая узлу завершенный вид.
- Нержавеющая сталь A1 / A4: Выбор материала зависит от условий эксплуатации. Сталь A1 обладает отличными механическими свойствами для стандартных условий, в то время как сталь A4 (кислотостойкая) рекомендуется для использования в условиях повышенной влажности, агрессивных сред или в пищевой промышленности.
Сфера применения
Данный тип крепежа широко востребован в следующих направлениях:
- Производство корпусной мебели: Стяжка мебельных щитов, фиксация фасадов и сборка каркасов из МДФ, ЛДСП и массива древесины.
- Лестничные ограждения и декор: Использование в качестве декоративной ответной части при монтаже балясин или поручней.
- Торговое оборудование: Сборка металлических и комбинированных стеллажей, где важна чистота линий и отсутствие выступающих острых элементов.
- Судостроение (для стали A4): При монтаже интерьеров яхт и судов, где требуется максимальная защита от коррозии в соленой среде.
Рекомендации по монтажу
Для достижения максимальной прочности соединения рекомендуется предварительное сверление отверстия, соответствующего наружному диаметру гильзы гайки. При монтаже в мягкие породы древесины или плитные материалы (ДСП) точность сверления обеспечивает плотную посадку, предотвращая люфт соединения. Использование нержавеющей стали исключает появление коррозийных подтеков, сохраняя первоначальный вид изделия на протяжении всего срока службы.
| d | шаг резьбы, мм | d2, мм | l1, мм | l2, мм | dk, мм | k, мм | s, мм |
| М3 | 0,5 | 4,5 | 7 | 4 | 6 | 0,8 | 2 |
| М4 | 0,7 | 5,0 | 12 | 7 | 8 | 1,8 | 2,5 |
| М5 | 0,8 | 6,5 | 15 | 9 | 10 | 2,1 | 3 |
| М6 | 1,0 | 8 | 16 | 9 | 12 | 2,3 | 4 |
| М8 | 1,25 | 11 | 16 | 9 | 16 | 2,8 | 5 |
| М10 | 1,5 | 14 | 20 | 12 | 20 | 3,3 | 6 |
| М12 | 1,75 | 16 | 20 | 12 | 24 | 4,4 | 8 |
| М16 | 2,0 | 22 | 25 | 15 | 30 | 5,4 | 10 |
| d, мм | шаг резьбы, мм | d2, мм | l1, мм | l2, мм | dk, мм | k, мм | s, мм |
| М5 | 0,8 | 6,5 | 15 | 9 | 10 | 2,1 | 3 |
| М6 | 1,0 | 8 | 16 | 9 | 12 | 2,3 | 4 |
| М8 | 1,25 | 11 | 16 | 9 | 16 | 2,8 | 5 |
| М10 | 1,5 | 14 | 20 | 12 | 20 | 3,3 | 6 |
| М12 | 1,75 | 16 | 20 | 12 | 24 | 4,4 | 8 |
Выбирая сотрудничество с нами, вы доверяете профессионалам, которые ценят сотрудничество с каждой компанией. Мы предлагаем условия, выделяющие нас на рынке Республики Беларусь:
- Более чем адекватные цены: Мы работаем напрямую с ведущими производителями, что позволяет нам предлагать конкурентноспособную стоимость без ущерба для качества продукции.
- Гарантия качества и сертификация: Весь товарный ассортимент соответствует техническим стандартам.
- Статус надежного партнера: Компания «Хипакс» зарекомендовала себя как проверенный поставщик крепежных изделий. Мы гарантируем широкий ассортимент товара на складе, оперативную отгрузку и индивидуальный подход к каждому заказу.
Нужна консультация? Свяжитесь с нашими специалистами — мы поможем подобрать оптимальное решение для ваших задач по лучшей цене!







