Конструктивные особенности и преимущества
Основное назначение гайки с накаткой — обеспечение возможности быстрой ручной сборки и регулировки соединений. Текстурированная поверхность (накатка) создает высокое трение с пальцами оператора, исключая проскальзывание и позволяя точно дозировать усилие затяжки.
Ключевые характеристики изделия:
- Материал: Нержавеющая сталь марки A1 (AISI 303). Данный сплав отличается высокой износостойкостью и отличными механическими свойствами при интенсивной эксплуатации.
- Коррозийная стойкость: Сталь A1 устойчива к атмосферной коррозии и может использоваться в условиях умеренной влажности.
- Низкий профиль: Соответствие стандарту DIN 467 подразумевает уменьшенную высоту гайки по сравнению с высоким исполнением (DIN 466), что снижает общий вес конструкции и экономит монтажное пространство.
- Эстетичный вид: Чистая обработка поверхности нержавеющей стали позволяет использовать крепеж в декоративных целях и на видимых частях оборудования.
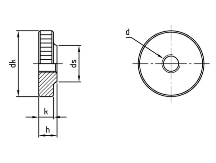
Технические параметры и стандарты
Крепеж полностью соответствует немецкому стандарту DIN 467. Нержавеющая сталь A1 содержит присадки, улучшающие обрабатываемость металла, что гарантирует высокую точность нарезания внутренней метрической резьбы и четкость рифления на внешней стороне.
Основные параметры выбора:
- Номинальный диаметр резьбы (от M3 до M10);
- Внешний диаметр накатанной части;
- Высота гайки и высота фаски (бортика).
Сферы применения
Благодаря своей функциональности, гайка DIN 467 широко применяется в отраслях, где требуется частая разборка или калибровка механизмов:
- Приборостроение и электроника: фиксация крышек корпусов, панелей управления и регулировочных узлов.
- Машиностроение: использование в качестве зажимных элементов в станках и оснастке.
- Фото- и видеотехника: крепление аксессуаров, штативов и осветительного оборудования.
- Мебельное производство: сборка трансформируемых элементов и регулируемых опор.
- Медицинское оборудование: в узлах, требующих стерильности материала и частой настройки положения деталей.
| d | шаг резьбы, мм | dk, мм | k, мм | h, мм | ds, мм |
| М2 | 0,4 | 9 | 2 | 2.5 | 4,5 |
| М2,5 | 0,45 | 12 | 2,5 | 3 | 6 |
| М3 | 0,5 | 14 | 3 | 3 | 7 |
| М4 | 0,7 | 16 | 3,5 | 4 | 8 |
| М5 | 0,8 | 20 | 4 | 5 | 10 |
| М6 | 1,0 | 24 | 5 | 6 | 12 |
| М8 | 1,25 | 30 | 6 | 8 | 16 |
| М10 | 1,5 | 36 | 8 | 10 | 20 |
- Более чем адекватные цены: Мы работаем напрямую с ведущими производителями, что позволяет нам предлагать конкурентноспособную стоимость без ущерба для качества продукции.
- Гарантия качества и сертификация: Весь товарный ассортимент соответствует техническим стандартам.
- Статус надежного партнера: Компания «Хипакс» зарекомендовала себя как проверенный поставщик крепежных изделий. Мы гарантируем широкий ассортимент товара на складе, оперативную отгрузку и индивидуальный подход к каждому заказу.
Нужна консультация? Свяжитесь с нашими специалистами — мы поможем подобрать оптимальное решение для ваших задач по лучшей цене!







