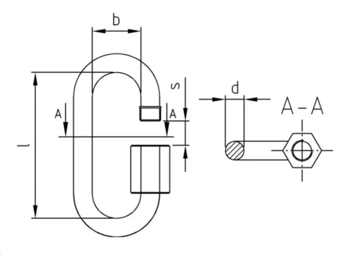
Технические особенности и конструкция
Конструкция карабина оптимизирована для работы в условиях, где требуется высокая надежность соединения «звено-звено» или крепление оснастки к анкерным точкам:
- Винтовая муфта: Резьбовой замок позволяет жестко замкнуть контур карабина, превращая его в полноценное силовое звено.
- Увеличенный зев: Геометрия изделия рассчитана на быструю инсталляцию коушей, цепей и рым-болтов соответствующего диаметра.
- Отсутствие выступающих частей: В закрытом состоянии муфта образует гладкое соединение, что минимизирует риск зацепов за элементы конструкций или одежду.
Преимущества стали марки A4 (AISI 316)
Выбор нержавеющей стали класса A4 делает данный карабин незаменимым в экстремальных условиях эксплуатации:
- Кислотостойкость: Благодаря добавлению 2-3% молибдена, сталь устойчива к воздействию агрессивных сред (хлориды, кислоты, щелочи).
- Морское применение: Идеально подходит для использования на судах, причалах и в прибрежной зоне, где обычная нержавейка A2 может подвергаться питтинговой коррозии.
- Температурный диапазон: Сохраняет прочностные характеристики в широком диапазоне температур, не охрупчивается на морозе.
- Экологичность: Материал не подвержен коррозии, не выделяет вредных примесей и подходит для использования в пищевой и химической промышленности.
Сферы применения
Карабин Art. 9645 из стали A4 широко востребован в следующих областях:
- Судостроение и яхтинг: Стоячий и бегучий такелаж, крепление якорей и швартовых концов.
- Промышленное строительство: Монтаж подвесных конструкций, растяжек и систем ограждений.
- Пищевая и химическая отрасль: Эксплуатация в цехах с высоким уровнем влажности и воздействием очищающих реагентов.
- Дизайн и архитектура: Декоративное оформление интерьеров и фасадов, требующее долговечности и эстетичного внешнего вида.
Важное примечание: При выборе размера карабина необходимо учитывать расчетную рабочую нагрузку. Винтовая муфта должна быть затянута до упора. Не рекомендуется использовать для подъема людей или ответственных грузов без предварительного расчета коэффициента запаса прочности.
| d, мм | l, мм | b, мм | e, мм | рабочая нагрузка, кг | нагрузка на разрыв, кг |
| 3 | 25 | 9 | 4 | 94 | 370 |
| 3,5 | 29,5 | 10 | 5 | 153 | 600 |
| 4 | 32 | 12 | 5,5 | 214 | 840 |
| 5 | 39 | 13 | 6,5 | 309 | 1210 |
| 6 | 45 | 14,5 | 7,5 | 393 | 1540 |
| 7 | 51 | 16,5 | 8,5 | 508 | 1990 |
| 8 | 58 | 17,5 | 10 | 622 | 2440 |
| 9 | 64 | 19 | 11 | 763 | 2990 |
| 10 | 72 | 21 | 12 | 903 | 3540 |
| 12 | 81 | 24 | 14,5 | 1232 | 4830 |
| 14 | 97 | 28 | 17 | 1681 | 6590 |
- Более чем адекватные цены: Мы работаем напрямую с ведущими производителями, что позволяет нам предлагать конкурентноспособную стоимость без ущерба для качества продукции.
- Гарантия качества и сертификация: Весь товарный ассортимент соответствует техническим стандартам.
- Статус надежного партнера: Компания «Хипакс» зарекомендовала себя как проверенный поставщик крепежных изделий. Мы гарантируем широкий ассортимент товара на складе, оперативную отгрузку и индивидуальный подход к каждому заказу.
Нужна консультация? Свяжитесь с нашими специалистами — мы поможем подобрать оптимальное решение для ваших задач по лучшей цене!





