Технические особенности и конструкция
- Материал: Высококачественная аустенитная нержавеющая сталь A4 (AISI 316). Обладает исключительной коррозийной стойкостью в агрессивных средах (кислоты, хлориды, морская вода).
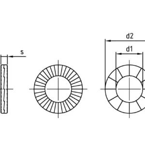
- Конструктив: Состоит из пары идентичных шайб, имеющих клинья на внутренних поверхностях и радиальные зубья на внешних.
- Увеличенная форма (SP): Данная модификация имеет увеличенный внешний диаметр, что позволяет эффективно распределять нагрузку на опорную поверхность. Идеально подходит для работы с продолговатыми отверстиями, мягкими материалами или окрашенными поверхностями.
- Принцип действия: Угол наклона внутренних клиньев больше, чем угол подъема резьбы болта. При попытке самоотвинчивания клинья входят в зацепление, увеличивая силу предварительного натяжения в соединении.
Преимущества использования шайб art. 9211
- Максимальная надежность: Полная фиксация соединения даже при интенсивной вибрации и ударных нагрузках.
- Сохранение натяжения: Гарантирует стабильность усилия затяжки в течение всего срока эксплуатации.
- Многократное использование: Нержавеющая сталь A4 и конструктивные особенности позволяют демонтировать и повторно устанавливать шайбы без потери функциональных свойств (при условии контроля целостности зубьев).
- Устойчивость к среде: Сталь A4 делает данные шайбы незаменимыми в судостроении, химической промышленности и пищевом производстве.
- Простота монтажа: Не требует использования специального инструмента — установка производится стандартным ключом с соблюдением рекомендованных моментов затяжки.
Сферы применения
- Промышленное оборудование и станки с высоким уровнем вибрации.
- Строительство мостов и стальных металлоконструкций.
- Железнодорожный транспорт и спецтехника.
- Энергетический сектор (в том числе ветрогенераторы).
- Морское оборудование и прибрежная инфраструктура.
нержавеющая сталь: А4.
| совместимая резьба | d1, мм | d2, мм | s, мм |
| М4 | 4,4 | 9 | 2 |
| М5 | 5,4 | 10,8 | 2 |
| М6 | 6,5 | 13,5 | 2 |
| М8 | 8,7 | 16,6 | 2 |
| М10 | 10,7 | 21 | 2 |
| М12 | 13 | 25,4 | 3 |
| М16 | 17 | 30,7 | 3 |
| М20 | 21,4 | 39 | 3 |
| М24 | 25,3 | 48,5 | 3 |
Выбирая сотрудничество с нами, вы доверяете профессионалам, которые ценят сотрудничество с каждой компанией. Мы предлагаем условия, выделяющие нас на рынке Республики Беларусь:
- Более чем адекватные цены: Мы работаем напрямую с ведущими производителями, что позволяет нам предлагать конкурентноспособную стоимость без ущерба для качества продукции.
- Гарантия качества и сертификация: Весь товарный ассортимент соответствует техническим стандартам.
- Статус надежного партнера: Компания «Хипакс» зарекомендовала себя как проверенный поставщик крепежных изделий. Мы гарантируем широкий ассортимент товара на складе, оперативную отгрузку и индивидуальный подход к каждому заказу.
Нужна консультация? Свяжитесь с нашими специалистами — мы поможем подобрать оптимальное решение для ваших задач по лучшей цене!





