Конструктивные особенности и преимущества
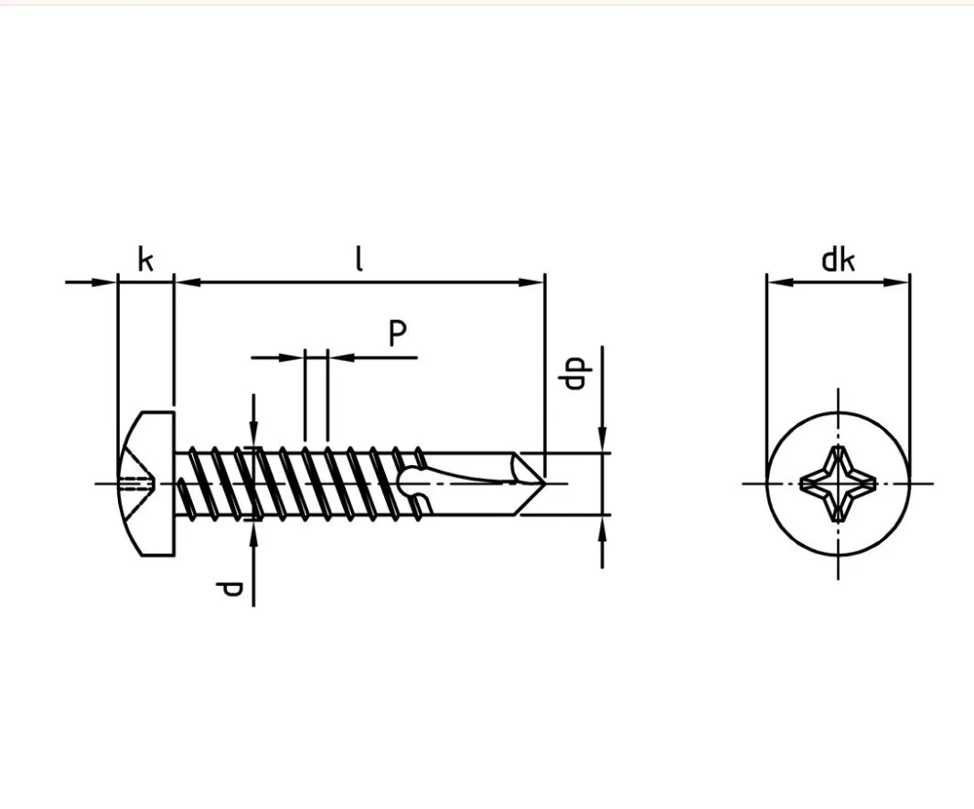
- Полукруглая головка (Pan Head): Обеспечивает увеличенную площадь прижима и эстетичный внешний вид узла крепления. Отсутствие острых кромок на головке минимизирует риск травматизма при эксплуатации готовых конструкций.
- Шлиц Phillips (PH): Стандартизированный крестообразный шлиц обеспечивает эффективную передачу крутящего момента и центрирование инструмента, что критически важно при работе с самосверлящим наконечником на высоких оборотах.
- Наконечник-бур: Геометрия сверла рассчитана на прохождение листового металла определенной толщины (в зависимости от диаметра самореза) за один рабочий цикл, формируя при этом прецизионную метрическую резьбу в теле основания.
Материал изготовления: Нержавеющая сталь A2 и A4
Выбор марки стали напрямую зависит от условий эксплуатации и агрессивности окружающей среды:
- Нержавеющая сталь A2 (AISI 304): Оптимальный выбор для общестроительных работ. Обладает высокой коррозионной стойкостью в обычных атмосферных условиях, сохраняет прочностные характеристики при низких и высоких температурах. Практически не магнитна.
- Нержавеющая сталь A4 (AISI 316): Кислотостойкая модификация, легированная молибденом (2-3%). Разработана для использования в экстремальных условиях: морской климат, бассейны с хлорированной водой, химические производства и пищевая промышленность. Обладает исключительной устойчивостью к точечной (питтинговой) коррозии.
Сферы применения
Благодаря сочетанию нержавеющих свойств и самосверлящей способности, DIN 7504-M незаменим в следующих областях:
- Монтаж вентилируемых фасадов и светопрозрачных конструкций;
- Сборка корпусного оборудования и электротехнических шкафов;
- Производство рекламных конструкций и малых архитектурных форм;
- Судостроение и монтаж оборудования на палубах (преимущественно сталь A4);
- Пищевое и медицинское машиностроение, где требуются высокие санитарно-гигиенические стандарты.
Технические рекомендации по монтажу
При работе с нержавеющим крепежом DIN 7504-M рекомендуется использовать электроинструмент с регулировкой усилия (муфтой) и ограничителем глубины. Важно соблюдать скоростной режим сверления, чтобы не допустить перегрева наконечника и «засаливания» резьбы. Использование бит из высококачественной стали предотвратит повреждение шлица и сохранит антикоррозийные свойства головки.
| dk, мм | 5,6 | 6,9 | 7,5 | 8,2 | 9,5 | 10,8 |
| k, мм | 2,2 | 2,6 | 2,8 | 3,05 | 3,55 | 3,95 |
| p, мм | 0,9 | 1,2 | 1,3 | 1,4 | 1,5 | 1,7 |
| dp, мм | 2,3 | 2,8 | 3,1 | 3,6 | 4,1 | 4,8 |
| толщина сверления, мм | 0,7-1,9 | 0,7-2,25 | 0,7-2,4 | 1,75-3,0 | 1,75-4,4 | 1,75-5,25 |
| размер шлица PH | 1 | 2 | 2 | 2 | 2 | 3 |
| d/l, мм | 2,9 | 3,5 | 3,9 | 4,2 | 4,8 | 5,5 |
| 9,5 | 2,9х9,5 | 3,5х9,5 | ||||
| 13 | 2,9х13 | 3,5х13 | 3,9х13 | 4,2х13 | 4,8х13 | |
| 16 | 3,5х16 | 3,9х16 | 4,2х16 | 4,8х16 | ||
| 19 | 3,5х19 | 3,9х19 | 4,2х19 | 4,8х19 | 5,5х19 | |
| 22 | 3,5х22 | 3,9х22 | 4,2х22 | 4,8х22 | ||
| 25 | 3,5х25 | 3,9х25 | 4,2х25 | 4,8х25 | 5,5х25 | |
| 32 | 3,9х32 | 4,2х32 | 4,8х32 | 5,5х32 | ||
| 38 | 3,9х38 | 4,2х38 | 4,8х38 | 5,5х38 | ||
| 40 | 5,5х40 | |||||
| 45 | 3,9х45 | 4,2х45 | 4,8х45 | 5,5х45 | ||
| 50 | 3,9х50 | 4,2х50 | 4,8х50 | 5,5х50 | ||
| 60 | 4,2х60 | 4,8х60 | 5,5х60 | |||
| 70 | 4,8х70 | 5,5х70 | ||||
| 75 | 4,8х75 | 5,5х75 | ||||
| 80 | 4,8х80 | 5,5х80 | ||||
| 90 | 4,8х90 | 5,5х90 | ||||
| 100 | 4,8х100 | 5,5х100 |
Выбирая сотрудничество с нами, вы доверяете профессионалам, которые ценят сотрудничество с каждой компанией. Мы предлагаем условия, выделяющие нас на рынке Республики Беларусь:
- Более чем адекватные цены: Мы работаем напрямую с ведущими производителями, что позволяет нам предлагать конкурентноспособную стоимость без ущерба для качества продукции.
- Гарантия качества и сертификация: Весь товарный ассортимент соответствует техническим стандартам.
- Статус надежного партнера: Компания «Хипакс» зарекомендовала себя как проверенный поставщик крепежных изделий. Мы гарантируем широкий ассортимент товара на складе, оперативную отгрузку и индивидуальный подход к каждому заказу.
Нужна консультация? Свяжитесь с нашими специалистами — мы поможем подобрать оптимальное решение для ваших задач по лучшей цене!







