Ключевые технические преимущества
- Шлиц Torx (TX): В отличие от классического Phillips или Pozidriv, Torx обеспечивает максимальную передачу крутящего момента без выталкивающей силы (cam-out effect). Это исключает соскальзывание биты и повреждение антикоррозийного покрытия.
- Наконечник-сверло: Геометрия бура позволяет осуществлять монтаж в листовой металл без предварительного кернения и сверления. Это экономит до 50% времени при серийной сборке.
- Полукруглая головка: Создает широкое пятно контакта, идеально подходит для крепления листовых материалов, где требуется распределение нагрузки и отсутствие острых краев.
Выбор материала: A2 vs A4
Мы поставляем данный крепеж в двух вариантах исполнения из аустенитных сталей, что гарантирует «вечное» соединение в соответствующих условиях:
- Нержавеющая сталь A2 (AISI 304): Оптимальный выбор для общестроительных работ, пищевой промышленности и наружного использования. Устойчива к пресной воде и атмосферным осадкам. Нетоксична и сохраняет прочность при низких температурах.
- Нержавеющая сталь A4 (AISI 316): «Морская» сталь с добавлением 2-3% молибдена. Разработана для работы в агрессивных средах: соленая морская вода, хлорированные помещения (бассейны) и химические производства, где присутствуют кислоты.
Области применения
- Монтаж фасадных систем и ограждений.
- Сборка конструкций из алюминиевого и стального профиля.
- Производство вентиляционного оборудования и систем кондиционирования.
- Судостроение и обустройство причалов (версия A4).
- Солнечная энергетика (крепление фотоэлектрических панелей).
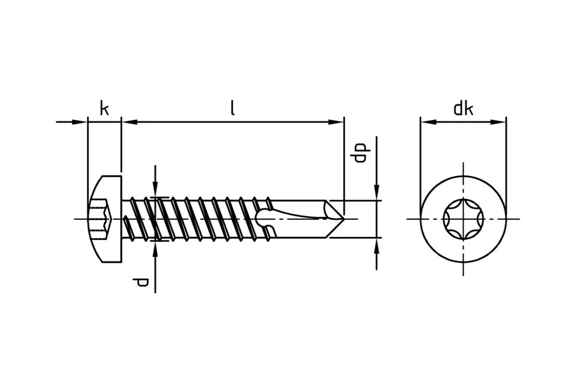
Технические характеристики
- Стандарт: DIN 7504-M (аналог ISO 15481).
- Тип головки: Полукруглая (Pan head).
- Тип привода: Torx (TX10, TX15, TX20, TX25, TX30 в зависимости от диаметра).
- Материал: Нержавеющая сталь марки A2 или A4.
- Способность к сверлению: До 4.0–6.0 мм стали (в зависимости от диаметра самореза).
- Шаг резьбы: Мелкий (метрический шаг для саморезов по металлу).
| dk, мм | 5,6 | 6,9 | 7,5 | 8,2 | 9,5 | 10,8 |
| k, мм | 2,2 | 2,6 | 2,8 | 3,05 | 3,55 | 3,95 |
| p, мм | 0,9 | 1,2 | 1,3 | 1,4 | 1,5 | 1,7 |
| dp, мм | 2,3 | 2,8 | 3,1 | 3,6 | 4,1 | 4,8 |
| толщина сверления, мм | 0,7-1,9 | 0,7-2,25 | 0,7-2,4 | 1,75-3,0 | 1,75-4,4 | 1,75-5,25 |
| размер шлица TX | 1 | 2 | 2 | 2 | 2 | 3 |
| d/l, мм | 2,9 | 3,5 | 3,9 | 4,2 | 4,8 | 5,5 |
| 9,5 | 2,9х9,5 | 3,5х9,5 | ||||
| 13 | 2,9х13 | 3,5х13 | 3,9х13 | 4,2х13 | 4,8х13 | |
| 16 | 3,5х16 | 3,9х16 | 4,2х16 | 4,8х16 | ||
| 19 | 3,5х19 | 3,9х19 | 4,2х19 | 4,8х19 | 5,5х19 | |
| 22 | 3,5х22 | 3,9х22 | 4,2х22 | 4,8х22 | ||
| 25 | 3,5х25 | 3,9х25 | 4,2х25 | 4,8х25 | 5,5х25 | |
| 32 | 3,9х32 | 4,2х32 | 4,8х32 | 5,5х32 | ||
| 38 | 3,9х38 | 4,2х38 | 4,8х38 | 5,5х38 | ||
| 40 | 5,5х40 | |||||
| 45 | 3,9х45 | 4,2х45 | 4,8х45 | 5,5х45 | ||
| 50 | 3,9х50 | 4,2х50 | 4,8х50 | 5,5х50 | ||
| 60 | 4,2х60 | 4,8х60 | 5,5х60 | |||
| 70 | 4,8х70 | 5,5х70 | ||||
| 75 | 4,8х75 | 5,5х75 | ||||
| 80 | 4,8х80 | 5,5х80 | ||||
| 90 | 4,8х90 | 5,5х90 | ||||
| 100 | 4,8х100 | 5,5х100 |
Выбирая сотрудничество с нами, вы доверяете профессионалам, которые ценят сотрудничество с каждой компанией. Мы предлагаем условия, выделяющие нас на рынке Республики Беларусь:
- Более чем адекватные цены: Мы работаем напрямую с ведущими производителями, что позволяет нам предлагать конкурентноспособную стоимость без ущерба для качества продукции.
- Гарантия качества и сертификация: Весь товарный ассортимент соответствует техническим стандартам.
- Статус надежного партнера: Компания «Хипакс» зарекомендовала себя как проверенный поставщик крепежных изделий. Мы гарантируем широкий ассортимент товара на складе, оперативную отгрузку и индивидуальный подход к каждому заказу.
Нужна консультация? Свяжитесь с нашими специалистами — мы поможем подобрать оптимальное решение для ваших задач по лучшей цене!








