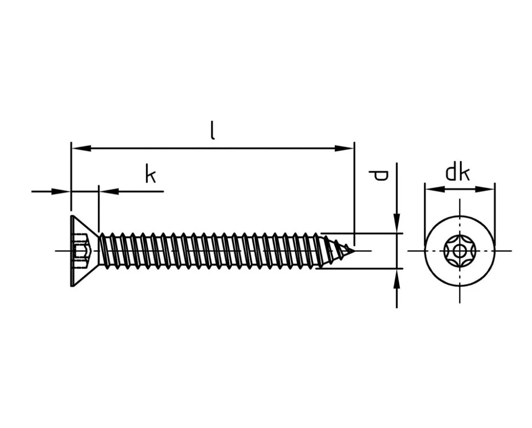
Конструктивные особенности и шлиц Torx-pin
Главной отличительной чертой изделия является шлиц Torx-pin (Security Torx). В центре стандартной шестилучевой звезды расположен металлический штифт (пин), который исключает возможность использования стандартных бит типа TX или обычных отверток.
- Антивандальная защита: Демонтаж крепежа возможен только при наличии специального профессионального инструмента, что минимизирует риск кражи или порчи оборудования в общественных местах.
- Эффективная передача крутящего момента: Форма Torx обеспечивает плотное прилегание биты, предотвращая эффект «выталкивания» инструмента и повреждение шлица при затягивании.
- Потайная головка: Позволяет установить саморез заподлицо с поверхностью материала. Это критично для предотвращения зацепов и создания эстетически чистого внешнего вида.
Материал: Нержавеющая сталь A2
Саморезы изготовлены из аустенитной хромоникелевой нержавеющей стали A2 (AISI 304). Данный сплав обеспечивает исключительную долговечность крепежного узла в различных условиях эксплуатации.
- Коррозионная стойкость: Сталь A2 устойчива к воздействию пресной воды, атмосферных осадков и температурных перепадов, что позволяет использовать крепеж как внутри помещений, так и на открытом воздухе.
- Экологичность и гигиеничность: Материал не токсичен и сохраняет свои свойства при контакте с пищевыми продуктами, что актуально для медицинского или кухонного оборудования.
- Механическая стабильность: Крепеж практически не подвержен хрупкому разрушению и сохраняет прочностные характеристики в широком диапазоне температур.
Области применения
Благодаря своим техническим характеристикам, саморез Art. 9122 широко востребован в следующих сферах:
- Монтаж малых архитектурных форм и рекламных конструкций в городских парках и на остановках.
- Сборка торгового оборудования, банковских терминалов и инфокиосков.
- Установка ограждений, систем видеонаблюдения и охранной сигнализации.
- Производство мебели для общественных пространств и транспортных средств.
Технические рекомендации
Для обеспечения максимальной надежности соединения рекомендуется предварительное сверление отверстия, диаметр которого должен соответствовать внутреннему диаметру резьбы самореза. Это снижает внутреннее напряжение в материале и предотвращает риск излома стержня при монтаже в твердые породы дерева или пластик. Для работы необходимо использовать только сертифицированные биты типоразмера Torx-pin, соответствующие размеру шлица конкретного изделия.
| dk, мм | 6,8 | 8,1 | 9,5 | 10,8 | 12,4 |
| k, мм | 2,15 | 2,6 | 3,15 | 3,55 | 4 |
| размер шлица TX-PIN | 15 | 20 | 25 | 27 | 30 |
| d/l, мм | 3,5 | 4,2 | 4,8 | 5,5 | 6,3 |
| 13 | 3,5×13 | 4,2×13 | 4,8×13 | 5,5×13 | |
| 16 | 3,5×16 | 4,2×16 | 4,8×16 | 5,5×16 | 6,3×16 |
| 19 | 3,5×19 | 4,2×19 | 4,8×19 | 5,5×19 | 6,3×19 |
| 25 | 3,5×25 | 4,2×25 | 4,8×25 | 5,5×25 | 6,3×25 |
| 32 | 3,5×32 | 4,2×32 | 4,8×32 | 5,5×32 | 6,3×32 |
| 38 | 3,5×38 | 4,2×38 | 4,8×38 | 5,5×38 | 6,3×38 |
| 50 | 4,8×50 | 5,5×50 | 6,3×50 | ||
| 63 | 5,5×63 | ||||
| 75 | 5,5×75 |
- Более чем адекватные цены: Мы работаем напрямую с ведущими производителями, что позволяет нам предлагать конкурентноспособную стоимость без ущерба для качества продукции.
- Гарантия качества и сертификация: Весь товарный ассортимент соответствует техническим стандартам.
- Статус надежного партнера: Компания «Хипакс» зарекомендовала себя как проверенный поставщик крепежных изделий. Мы гарантируем широкий ассортимент товара на складе, оперативную отгрузку и индивидуальный подход к каждому заказу.
Нужна консультация? Свяжитесь с нашими специалистами — мы поможем подобрать оптимальное решение для ваших задач по лучшей цене!







