Материалы исполнения: А2 и А4
Мы предлагаем финишные шайбы из двух типов аустенитной нержавеющей стали:
- Нержавеющая сталь А2 (AISI 304) — оптимальный выбор для использования в общестроительных работах, мебельном производстве и приборостроении. Обладает высокой коррозионной стойкостью в обычных атмосферных условиях и экологичностью.
- Нержавеющая сталь А4 (AISI 316) — за счет добавления молибдена (2-3%) шайба становится неуязвимой для воздействия кислот, щелочей и хлоридов. Рекомендуется для применения в судостроении, бассейнах, химической промышленности и в условиях агрессивной морской среды.
Технические преимущества и особенности
- Конструкция по стандарту NF E 27-619: Обеспечивает точную геометрию конуса для идеальной посадки метиза.
- Литой корпус: Повышенная жесткость и долговечность по сравнению со штампованными изделиями. Отсутствие внутренних напряжений металла, характерных для холодной формовки.
- Распределение нагрузки: Конусная форма эффективно распределяет давление на сопрягаемую поверхность, предотвращая повреждение мягких материалов (дерево, пластик, композиты).
- Эстетика: Высокое качество полировки поверхности нержавеющей стали придает узлу законченный, премиальный вид.
Сферы применения
Благодаря сочетанию функциональности и визуальной привлекательности, литые шайбы NF E 27-619 широко востребованы в следующих областях:
- Производство эксклюзивной мебели и фурнитуры;
- Архитектурное проектирование и дизайн интерьеров;
- Строительство яхт, катеров и других маломерных судов;
- Монтаж ограждений, перил и других светопрозрачных конструкций;
- Машиностроение (в узлах, требующих защиты крепежа от механических повреждений).
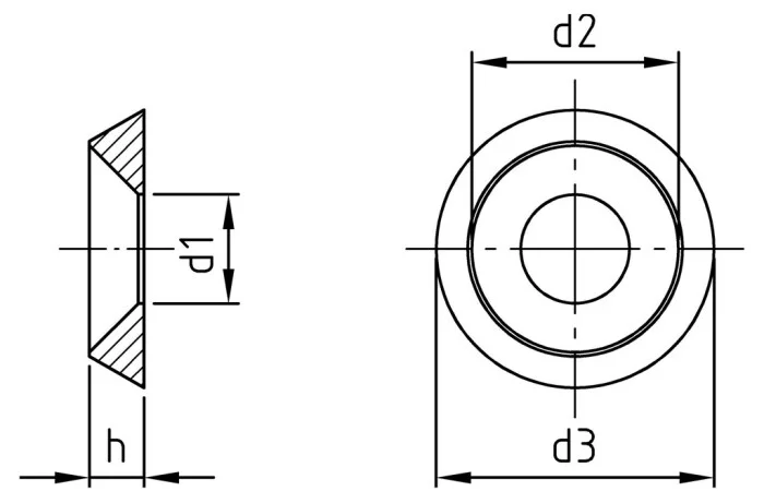
шайбы конусной (финишной) литой, NF E 27-619, нержавеющая сталь: А2, А4
| совместимая резьба | d1, мм | d2, мм | d3, мм | h, мм |
|---|---|---|---|---|
| М3 | 3,5 | 6,5 | 9 | 2 |
| М4 | 4,5 | 8 | 11 | 2,5 |
| М5 | 5,5 | 10 | 14 | 3 |
| М6 | 7 | 12 | 16 | 3,5 |
| М8 | 9 | 16 | 22 | 4,5 |
| М10 | 11 | 20 | 28 | 5,5 |
| М12 | 14 | 24 | 32 | 6,5 |
Выбирая сотрудничество с нами, вы доверяете профессионалам, которые ценят сотрудничество с каждой компанией. Мы предлагаем условия, выделяющие нас на рынке Республики Беларусь:
- Более чем адекватные цены: Мы работаем напрямую с ведущими производителями, что позволяет нам предлагать конкурентноспособную стоимость без ущерба для качества продукции.
- Гарантия качества и сертификация: Весь товарный ассортимент соответствует техническим стандартам.
- Статус надежного партнера: Компания «Хипакс» зарекомендовала себя как проверенный поставщик крепежных изделий. Мы гарантируем широкий ассортимент товара на складе, оперативную отгрузку и индивидуальный подход к каждому заказу.
Нужна консультация? Свяжитесь с нашими специалистами — мы поможем подобрать оптимальное решение для ваших задач по лучшей цене!








