Технические особенности и конструкция
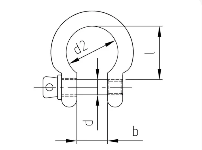
Конструкция скобы включает в себя U-образный корпус и съемный штифт (болт) с резьбовым соединением. Наличие проушины на головке штифта позволяет производить монтаж и демонтаж вручную или с помощью простого рычага без использования специализированного ключа.
- Тип исполнения: Прямая (D-образная), артикул 9641.
- Тип затвора: Винтовой штифт (палец) с цилиндрической головкой и отверстием.
- Поверхность: Электрополированная, что минимизирует налипание загрязнений и улучшает эстетический вид.
Материал: Нержавеющая сталь A4 (AISI 316)
Изделие изготовлено из высоколегированной аустенитной стали марки A4. В отличие от стандартной нержавейки A2, данный сплав содержит 2–3% молибдена, что радикально меняет его эксплуатационные свойства:
- Кислотостойкость: Устойчивость к воздействию агрессивных сред (серная, фосфорная, уксусная кислоты).
- Морская среда: Полная инертность к воздействию соленой воды и хлорированных испарений.
- Температурный режим: Сохранение прочностных характеристик в широком диапазоне температур без охрупчивания.
Область применения
Благодаря исключительной коррозионной стойкости, скобы Art. 9641 из стали A4 являются промышленным стандартом в следующих отраслях:
- Судостроение и яхтинг: Стоячий и бегучий такелаж, крепление парусов и якорных цепей.
- Химическая и пищевая промышленность: Монтаж оборудования в цехах с высоким уровнем влажности или воздействием химикатов.
- Дизайн и архитектура: Создание долговечных ограждений, растяжек и декоративных конструкций под открытым небом.
- Водолазные работы: Использование в подводных системах фиксации.
| d, мм | a, мм | l, мм | r, мм | рабочая нагрузка, кг | разрушающая нагрузка, кг |
| 4 | 8 | 14 | 14 | 90 | 650 |
| 5 | 10 | 17 | 17 | 100 | 950 |
| 6 | 12 | 21 | 21 | 150 | 1450 |
| 8 | 16 | 28 | 28 | 250 | 2450 |
| 10 | 20 | 34 | 35 | 500 | 3950 |
| 12 | 24 | 42 | 42 | 600 | 5950 |
| 13 | 26 | 45 | 45 | 800 | 6550 |
| 16 | 32 | 56 | 56 | 1100 | 9950 |
- Более чем адекватные цены: Мы работаем напрямую с ведущими производителями, что позволяет нам предлагать конкурентноспособную стоимость без ущерба для качества продукции.
- Гарантия качества и сертификация: Весь товарный ассортимент соответствует техническим стандартам.
- Статус надежного партнера: Компания «Хипакс» зарекомендовала себя как проверенный поставщик крепежных изделий. Мы гарантируем широкий ассортимент товара на складе, оперативную отгрузку и индивидуальный подход к каждому заказу.
Нужна консультация? Свяжитесь с нашими специалистами — мы поможем подобрать оптимальное решение для ваших задач по лучшей цене!






