Конструктивные особенности и преимущества
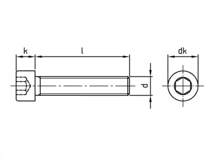
- Внутренний шестигранник (Hex socket): Позволяет прилагать значительное усилие при затяжке, в 10 раз превышающее возможности обычного прямого или крестообразного шлица. Это исключает риск соскальзывания инструмента и повреждения головки.
- Цилиндрическая головка: Обеспечивает надежный прижим. При необходимости головка может быть полностью утоплена в деталь (в заранее подготовленную цековку), что важно для механизмов с движущимися частями.
- Полная резьба: Гарантирует максимальную плотность соединения по всей длине стержня, что особенно критично в тонкостенных конструкциях или при использовании совместно с гайками и шайбами.
Материалы исполнения: А2, А4 и А4-80
Винты изготовлены из аустенитных нержавеющих сталей, что определяет их эксплуатационные характеристики:
- Сталь A2 (AISI 304): Обладает высокой коррозийной стойкостью в обычных условиях, экологична и нетоксична. Идеальна для пищевой промышленности, кухонного оборудования и архитектурных решений.
- Сталь A4 (AISI 316): Кислотостойкая модификация. Благодаря добавлению молибдена (2-3%), изделия сохраняют целостность в агрессивных средах: морской воде, хлорированной среде бассейнов и на химических производствах.
- Класс прочности A4-80: Специальное исполнение с повышенным пределом прочности на разрыв (800 МПа), предназначенное для узлов, подвергающихся экстремальным механическим нагрузкам.
Технические характеристики и стандарты
Данное изделие полностью соответствует международному стандарту ISO 4762. Процесс производства строго регламентирован, что обеспечивает идеальную точность шага резьбы и геометрии шлица. Нержавеющая сталь данных марок практически не проявляет магнитных свойств, что позволяет использовать винты в высокоточном электронном оборудовании и медицинских приборах.
Сферы применения
- Промышленное оборудование: Сборка станков, конвейерных линий и редукторов.
- Авто- и судостроение: Крепление узлов, подверженных вибрации и воздействию влаги.
- Строительство: Монтаж фасадных систем, перил и ограждений из нержавеющей стали.
- Медицина и химия: Лабораторное оборудование, где требуются высокие санитарные стандарты и стойкость к дезинфекции.
| k, мм | 1,60 | 2,00 | 2,50 | 3,00 | 4,00 | 5,00 | 6,00 | 8,00 | 10,00 |
| dk, мм | 3,00 | 3,80 | 4,50 | 5,50 | 7,00 | 8,50 | 10,00 | 13,00 | 16,00 |
| шаг резьбы | 0,35 | 0,40 | 0,45 | 0,50 | 0,70 | 0,80 | 1,00 | 1,25 | 1,50 |
| d/l, мм | М1,6 | М2 | М2,5 | М3 | М4 | М5 | М6 | М8 | М10 |
| 3 | М1,6×3 | М2×3 | М2,5×3 | М3×3 | |||||
| 4 | М1,6×4 | М2×4 | М2,5×4 | М3×4 | М4×4 | ||||
| 5 | М1,6×5 | М2×5 | М2,5×5 | М3×5 | М4×5 | М5×5 | |||
| 6 | М1,6×6 | М2×6 | М2,5×6 | М3×6 | М4×6 | М5×6 | М6×6 | ||
| 8 | М1,6×8 | М2×8 | М2,5×8 | М3×8 | М4×8 | М5×8 | М6×8 | М8×8 | |
| 10 | М1,6×10 | М2×10 | М2,5×10 | М3×10 | М4×10 | М5×10 | М6×10 | М8×10 | |
| 12 | М1,6×12 | М2×12 | М2,5×12 | М3×12 | М4×12 | М5×12 | М6×12 | М8×12 | М10×12 |
| 14 | М1,6×14 | М2×14 | М2,5×14 | М3×14 | М4×14 | М5×14 | М6×14 | М8×14 | М10×14 |
| 16 | М1,6×16 | М2×16 | М2,5×16 | М3×16 | М4×16 | М5×16 | М6×16 | М8×16 | М10×16 |
| 18 | М2×18 | М2,5×18 | М3×18 | М4×18 | М5×18 | М6×18 | М8×18 | М10×18 | |
| 20 | М2×20 | М2,5×20 | М3×20 | М4×20 | М5×20 | М6×20 | М8×20 | М10×20 | |
| 22 | М2,5×22 | М4×22 | М5×22 | М6×22 | М8×22 | М10×22 | |||
| 25 | М2,5×25 | М3×25 | М4×25 | М5×25 | М6×25 | М8×25 | М10×25 | ||
| 30 | М3×30 | М4×30 | М5×30 | М6×30 | М8×30 | М10×30 | |||
| 35 | М3×35 | М4×35 | М5×35 | М6×35 | М8×35 | М10×35 | |||
| 40 | М3×40 | М4×40 | М5×40 | М6×40 | М8×40 | М10×40 | |||
| 45 | М4×45 | М5×45 | М6×45 | М8×45 | М10×45 | ||||
| 50 | М4×50 | М5×50 | М6×50 | М8×50 | М10×50 | ||||
| 55 | М6×55 | М8×55 | М10×55 | ||||||
| 60 | М6×60 | М8×60 | М10×60 | ||||||
| 65 | |||||||||
| 70 | М6×70 | М8×70 | М10×70 | ||||||
| 75 | |||||||||
| 80 | М6×80 | М8×80 | М10×80 | ||||||
| 85 | |||||||||
| 90 | М6×90 | М8×90 | М10×90 | ||||||
| 95 | |||||||||
| 100 | М6×100 | М8×100 | М10×100 |
| k, мм | 12,00 | 14,00 | 16,00 | 18,00 | 20,00 | 22,00 | 24,00 | 27,00 | 30,00 |
| dk, мм | 18,00 | 21,00 | 24,00 | 27,00 | 30,00 | 33,00 | 36,00 | 40,00 | 45,00 |
| шаг резьбы | 1,75 | 2,00 | 2,00 | 2,50 | 2,50 | 2,50 | 3,00 | 3,00 | 3,50 |
| d/l, мм | М12 | М14 | М16 | М18 | М20 | М22 | М24 | М27 | М30 |
| 16 | М12×16 | ||||||||
| 18 | М12×18 | ||||||||
| 20 | М12×20 | М14×20 | М16×20 | ||||||
| 22 | М12×22 | ||||||||
| 25 | М12×25 | М14×25 | М16×25 | ||||||
| 30 | М12×30 | М14×30 | М16×30 | М18×30 | М20×30 | ||||
| 35 | М12×35 | М14×35 | М16×35 | М18×35 | М20×35 | ||||
| 40 | М12×40 | М14×40 | М16×40 | М18×40 | М20×40 | М22×40 | М24×40 | ||
| 45 | М12×45 | М14×45 | М16×45 | М18×45 | М20×45 | М22×45 | М24×45 | ||
| 50 | М12×50 | М14×50 | М16×50 | М18×50 | М20×50 | М22×50 | М24×50 | М27×50 | М30×50 |
| 55 | М12×55 | М14×55 | М16×55 | М18×55 | М20×55 | М22×55 | М24×55 | М27×55 | М30×55 |
| 60 | М12×60 | М16×60 | М18×60 | М20×60 | М22×60 | М24×60 | М27×60 | М30×60 | |
| 65 | М18×65 | М20×65 | М22×65 | М24×65 | М27×65 | М30×65 | |||
| 70 | М12×70 | М20×70 | М22×70 | М24×70 | М27×70 | М30×70 | |||
| 75 | М24×75 | М27×75 | М30×75 | ||||||
| 80 | М12×80 | М24×80 | М27×80 | М30×80 | |||||
| 85 | М27×85 | М30×85 | |||||||
| 90 | М12×90 | М27×90 | М30×90 | ||||||
| 95 | М30×95 | ||||||||
| 100 | М12×100 |
| k, мм | 4,00 | 5,00 | 6,00 | 8,00 | 10,00 | 12,00 | 14,00 | 16,00 | 20,00 | 24,00 |
| dk, мм | 7,00 | 8,50 | 10,00 | 13,00 | 16,00 | 18,00 | 21,00 | 24,00 | 30,00 | 36,00 |
| b, мм | 20,00 | 22,00 | 24,00 | 28,00 | 32,00 | 36,00 | 40,00 | 44,00 | 52,00 | 60,00 |
| шаг резьбы | 0,70 | 0,80 | 1,00 | 1,25 | 1,50 | 1,75 | 2,00 | 2,00 | 2,50 | 3,00 |
| d/l, мм | М4 | М5 | М6 | М8 | М10 | М12 | М14 | М16 | М20 | М24 |
| 4 | М4х4 | |||||||||
| 5 | М4х5 | М5х5 | ||||||||
| 6 | М4х6 | М5х6 | М6х6 | |||||||
| 8 | М4х8 | М5х8 | М6х8 | М8х8 | ||||||
| 10 | М4х10 | М5х10 | М6х10 | М8х10 | ||||||
| 12 | М4х12 | М5х12 | М6х12 | М8х12 | М10х12 | |||||
| 14 | М4х14 | М5х14 | М6х14 | М8х14 | М10х14 | |||||
| 16 | М4х16 | М5х16 | М6х16 | М8х16 | М10х16 | М12х16 | ||||
| 18 | М4х18 | М5х18 | М6х18 | М8х18 | М10х18 | М12х18 | ||||
| 20 | М4х20 | М5х20 | М6х20 | М8х20 | М10х20 | М12х20 | М14х20 | М16х20 | ||
| 22 | М4х22 | М5х22 | М6х22 | М8х22 | М10х22 | М12х22 | ||||
| 25 | М4х25 | М5х25 | М6х25 | М8х25 | М10х25 | М12х25 | М14х25 | М16х25 | ||
| 30 | М6х30 | М8х30 | М10х30 | М12х30 | М14х30 | М16х30 | М20х30 | |||
| 35 | М8х35 | М10х35 | М12х30 | М14х35 | М16х35 | М20х35 | ||||
| 40 | М10х40 | М12х40 | М14х40 | М16х40 | М20х40 | М24х40 | ||||
| 45 | М12х45 | М14х45 | М16х45 | М20х45 | М24х45 | |||||
| 50 | М12х50 | М14х50 | М16х50 | М20х50 | М24х50 | |||||
| 55 | М14х55 | М16х55 | М20х55 | М24х55 | ||||||
| 60 | М16х60 | М20х60 | М24х60 | |||||||
| 65 | М20х65 | М24х65 | ||||||||
| 70 | М20х70 | М24х70 | ||||||||
| 75 | М24х75 | |||||||||
| 80 | М24х80 | |||||||||
| 90 | М24х90 |
Выбирая сотрудничество с нами, вы доверяете профессионалам, которые ценят сотрудничество с каждой компанией. Мы предлагаем условия, выделяющие нас на рынке Республики Беларусь:
- Более чем адекватные цены: Мы работаем напрямую с ведущими производителями, что позволяет нам предлагать конкурентноспособную стоимость без ущерба для качества продукции.
- Гарантия качества и сертификация: Весь товарный ассортимент соответствует техническим стандартам.
- Статус надежного партнера: Компания «Хипакс» зарекомендовала себя как проверенный поставщик крепежных изделий. Мы гарантируем широкий ассортимент товара на складе, оперативную отгрузку и индивидуальный подход к каждому заказу.
Нужна консультация? Свяжитесь с нашими специалистами — мы поможем подобрать оптимальное решение для ваших задач по лучшей цене!





