Конструктивные особенности и преимущества
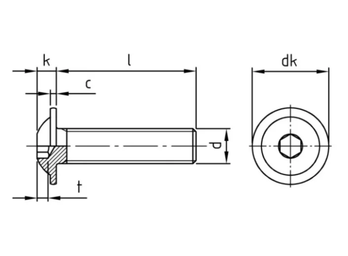
Ключевой особенностью конструкции является фланец, который увеличивает опорную площадь головки. Это позволяет эффективно работать с тонкими листовыми материалами, пластиками и композитами, предотвращая их деформацию или продавливание в зоне монтажа.
- Шлиц Hexagon (внутренний шестигранник): Обеспечивает передачу высокого крутящего момента при затягивании, минимизирует риск соскальзывания инструмента и повреждения декоративной поверхности головки.
- Низкий профиль: Скругленная форма головки (Button Head) придает узлу законченный и аккуратный вид, а также снижает риск травматизма об острые края крепежа в процессе эксплуатации изделия.
- Отсутствие необходимости в шайбах: Наличие пресс-шайбы (фланца) упрощает процесс сборки, сокращает количество необходимых комплектующих и снижает общий вес конструкции.
Материалы исполнения: Нержавеющая сталь A2 и A4
Винты изготавливаются из высококачественных аустенитных сталей, что определяет их долговечность и устойчивость к внешним воздействиям:
- Сталь A2 (AISI 304): Оптимальный выбор для общепромышленного применения, мебельного производства и наружных конструкций. Обладает высокой коррозийной стойкостью в обычных атмосферных условиях.
- Сталь A4 (AISI 316): Кислотостойкая модификация, легированная молибденом. Рекомендуется для использования в судостроении, химической промышленности и в условиях контакта с агрессивными средами (хлор, соли, кислоты).
Сферы применения
Благодаря сочетанию технических характеристик и визуальной привлекательности, винт ISO 7380-2 широко востребован в следующих областях:
- Машиностроение и приборостроение: сборка корпусов, фиксация панелей управления и декоративных накладок.
- Производство мебели: крепление фурнитуры и сборка каркасов из металла и дерева, где важен внешний вид крепежа.
- Вело- и мототехника: использование в качестве облегченного и эстетичного крепежа для обтекателей и навесного оборудования.
- Рекламные конструкции: монтаж вывесок, стендов и витрин.
| k, мм | 1,65 | 2,2 | 2,75 | 3,3 | 4,4 | 5,5 | 6,6 |
| dk, мм | 6,9 | 9,4 | 11,8 | 13,6 | 17,8 | 21,9 | 24 |
| t, мм | 1,04 | 1,3 | 1,58 | 2,08 | 2,6 | 3,12 | 4,16 |
| с, мм | 0,7 | 0,8 | 1 | 1,2 | 1,5 | 2 | 2,4 |
| шаг резьбы | 0,5 | 0,7 | 0,8 | 1 | 1,25 | 1,5 | 1,75 |
| d/l, мм | М3 | М4 | М5 | М6 | М8 | М10 | М12 |
| 3 | М3×3 | ||||||
| 4 | М3×4 | М4×4 | |||||
| 5 | М3×5 | М4×5 | М5×5 | ||||
| 6 | М3×6 | М4×6 | М5×6 | М6×6 | |||
| 8 | М3×8 | М4×8 | М5×8 | М6×8 | М8×8 | ||
| 10 | М3×10 | М4×10 | М5×10 | М6×10 | М8×10 | ||
| 12 | М3×12 | М4×12 | М5×12 | М6×12 | М8×12 | М10×12 | |
| 14 | М3×14 | М4×14 | М5×14 | М6×14 | М8×14 | М10×14 | |
| 16 | М3×16 | М4×16 | М5×16 | М6×16 | М8×16 | М10×16 | М12×16 |
| 18 | М3×18 | М4×18 | М5×18 | М6×18 | М8×18 | М10×18 | М12×18 |
| 20 | М3×20 | М4×20 | М5×20 | М6×20 | М8×20 | М10×20 | М12×20 |
| 22 | М3×22 | М4×22 | М5×22 | М6×22 | М8×22 | М10×22 | М12×22 |
| 25 | М3×25 | М4×25 | М5×25 | М6×25 | М8×25 | М10×25 | М12×25 |
| 30 | М3×30 | М4×30 | М5×30 | М6×30 | М8×30 | М10×30 | М12×30 |
| 35 | М3×35 | М4×35 | М5×35 | М6×35 | М8×35 | М10×35 | М12×35 |
| 40 | М3×40 | М4×40 | М5×40 | М6×40 | М8×40 | М10×40 | М12×40 |
| 45 | М3×45 | М4×45 | М5×45 | М6×45 | М8×45 | М10×45 | М12×45 |
| 50 | М3×50 | М4×50 | М5×50 | М6×50 | М8×50 | М10×50 | М12×50 |
| 55 | М4×55 | М5×55 | М6×55 | М8×55 | М10×55 | М12×55 | |
| 60 | М4×60 | М5×60 | М6×60 | М8×60 | М10×60 | М12×60 | |
| 65 | М5×65 | М6×65 | М8×65 | М10×65 | М12×65 | ||
| 70 | М5×70 | М6×70 | М8×70 | М10×70 | М12×70 | ||
| 75 | М5×75 | М6×75 | М8×75 | М10×75 | М12×75 | ||
| 80 | М5×80 | М6×80 | М8×80 | М10×80 | М12×80 | ||
| 90 | М6×90 | М8×90 | М10×90 | М12×90 | |||
| 100 | М6×100 | М8×100 | М10×100 | М12×100 | |||
| 110 | М8×110 | М10×110 | М12×110 | ||||
| 120 | М6×120 | М8×120 | М10×120 | М12×120 |
Выбирая сотрудничество с нами, вы доверяете профессионалам, которые ценят сотрудничество с каждой компанией. Мы предлагаем условия, выделяющие нас на рынке Республики Беларусь:
- Более чем адекватные цены: Мы работаем напрямую с ведущими производителями, что позволяет нам предлагать конкурентноспособную стоимость без ущерба для качества продукции.
- Гарантия качества и сертификация: Весь товарный ассортимент соответствует техническим стандартам.
- Статус надежного партнера: Компания «Хипакс» зарекомендовала себя как проверенный поставщик крепежных изделий. Мы гарантируем широкий ассортимент товара на складе, оперативную отгрузку и индивидуальный подход к каждому заказу.
Нужна консультация? Свяжитесь с нашими специалистами — мы поможем подобрать оптимальное решение для ваших задач по лучшей цене!







