Конструктивные особенности и преимущества
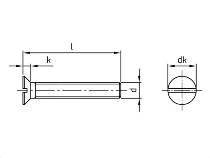
- Потайная головка: Обеспечивает эстетичный внешний вид и безопасность эксплуатации, исключая риск зацепления за выступающие части крепежа.
- Прямой шлиц (Slotted): Традиционная форма привода, позволяющая производить монтаж с помощью обычной плоской отвертки или соответствующей биты. Это делает винт универсальным для использования как в промышленном производстве, так и в бытовых условиях.
- Точность исполнения: Соответствие стандарту DIN 963 гарантирует строгое соблюдение геометрических параметров, что критично для высокоточного приборостроения и машиностроения.
Материал изготовления: Нержавеющая сталь A2 и A4
В зависимости от условий эксплуатации, данные винты изготавливаются из двух типов аустенитной нержавеющей стали:
- Сталь A2 (AISI 304): Оптимальный выбор для пищевой, химической промышленности и общестроительных работ. Обладает высокой коррозийной стойкостью в обычных атмосферных условиях и пресной воде.
- Сталь A4 (AISI 316): Кислотостойкая модификация, усиленная добавлением молибдена (2-3%). Идеально подходит для работы в агрессивных средах: морская вода, хлорсодержащие растворы и предприятия химического сектора. Обладает практически неограниченным сроком службы в условиях коррозийного воздействия.
Сферы применения
Благодаря своей конструкции и коррозийной стойкости, винты DIN 963 из нержавеющей стали находят широкое применение в следующих областях:
- Машиностроение и приборостроение: Сборка корпусов, фиксация панелей и внутренних узлов механизмов.
- Мебельное производство: Крепление фурнитуры и сборка каркасов, где важно отсутствие выступающих элементов.
- Архитектура и дизайн: Декоративная отделка, монтаж лестничных ограждений и фасадных систем.
- Медицинская техника: Использование в оборудовании, требующем частой санитарной обработки.
Техническая справка для проектировщиков
При выборе винта DIN 963 следует учитывать, что его номинальная длина измеряется вместе с головкой (в отличие от винтов с цилиндрической головкой). Это необходимо закладывать в расчеты при определении глубины резьбового канала и толщины соединяемых деталей. Для обеспечения максимальной прочности соединения рекомендуется производить зенковку отверстия строго под углом 90 градусов, соответствующим геометрии головки винта.
| k, мм | 0,6 | 0,72 | 0,84 | 0,96 | 0,96 | 1,20 | 1,50 | 1,50 | 1,50 | 1,65 | 1,93 |
| dk, мм | 1,9 | 2,3 | 2,6 | 3 | 3 | 3,8 | 4,7 | 4,7 | 4,7 | 5,6 | 6,5 |
| шаг резьбы | 0,25 | 0,25 | 0,3 | 0,35 | 0,35 | 0,40 | 0,45 | 0,45 | 0,45 | 0,50 | 0,60 |
| d/l, мм | М1 | М1,2 | М1,4 | М1,6 | М1,7 | М2 | М2,3 | М2,5 | М2,6 | М3 | М3,5 |
| 2 | М1×2 | М1,2×2 | М1,6×2 | ||||||||
| 3 | М1×3 | М1,2×3 | М1,4×3 | М1,6×3 | М1,7×3 | М2×3 | М2,3×3 | М2,5×3 | М2,6×3 | М3×3 | |
| 4 | М1×4 | М1,2×4 | М1,4×4 | М1,6×4 | М2×4 | М2,3×4 | М2,5×4 | М2,6×4 | М3×4 | М3,5×4 | |
| 5 | М1×5 | М1,2×5 | М1,4×5 | М1,6×5 | М1,7×5 | М2×5 | М2,3×5 | М2,5×5 | М2,6×5 | М3×5 | М3,5×5 |
| 6 | М1×6 | М1,2×6 | М1,4×6 | М1,6×6 | М2×6 | М2,3×6 | М2,5×6 | М2,6×6 | М3×6 | М3,5×6 | |
| 8 | М1×8 | М1,2×8 | М1,4×8 | М1,6×8 | М2×8 | М2,3×8 | М2,5×8 | М2,6×8 | М3×8 | М3,5×8 | |
| 10 | М1×10 | М1,2×10 | М1,4×10 | М1,6×10 | М1,7×10 | М2×10 | М2,3×10 | М2,5×10 | М2,6×10 | М3×10 | М3,5×10 |
| 12 | М1,4×12 | М1,6×12 | М2×12 | М2,3×12 | М2,5×12 | М2,6×12 | М3×12 | М3,5×12 | |||
| 14 | М1,6×14 | М2×14 | М2,3×14 | М2,5×14 | М3×14 | М3,5×14 | |||||
| 16 | М1,6×16 | М2×16 | М2,3×16 | М2,5×16 | М2,6×16 | М3×16 | М3,5×16 | ||||
| 18 | М2×18 | М2,3×18 | М2,5×18 | М3×18 | М3,5×18 | ||||||
| 20 | М2×20 | М2,3×20 | М2,5×20 | М2,6х20 | М3×20 | М3,5×20 | |||||
| 22 | М2×22 | М2,3×22 | М2,5×22 | М3×22 | М3,5×22 | ||||||
| 25 | М2×25 | М2,5×25 | М3×25 | М3,5×25 | |||||||
| 28 | М2×28 | М2,5×28 | М3×28 | М3,5×28 | |||||||
| 30 | М2×30 | М2,5×30 | М3×30 | М3,5×30 | |||||||
| 35 | М2×35 | М2,5×35 | М3×35 | М3,5×35 | |||||||
| 40 | М2×40 | М3×40 | М3,5×40 | ||||||||
| 45 | М3×45 | М3,5×45 | |||||||||
| 50 | М3×50 | М3,5×50 | |||||||||
| 55 | М3×55 | М3,5×55 | |||||||||
| 60 | М3×60 | М3,5×60 |
| k, мм | 2,20 | 2,50 | 3,00 | 4,00 | 5,00 | 6,00 | 7,00 | 8,00 | 9,00 | 10,00 | |
| dk, мм | 7,5 | 9,2 | 11 | 14,5 | 18 | 22 | 25 | 29 | 33 | 36 | |
| шаг резьбы | 0,70 | 0,80 | 1,00 | 1,25 | 1,50 | 1,75 | 2,00 | 2,00 | 2,50 | 2,50 | 3,00 |
| d/l, мм | М4 | М5 | М6 | М8 | М10 | М12 | М14 | М16 | М18 | М20 | М24 |
| 4 | М4×4 | ||||||||||
| 5 | М4×5 | ||||||||||
| 6 | М4×6 | М5×6 | М6×6 | ||||||||
| 8 | М4×8 | М5×8 | М6×8 | ||||||||
| 10 | М4×10 | М5×10 | М6×10 | М8×10 | |||||||
| 12 | М4×12 | М5×12 | М6×12 | М8×12 | |||||||
| 14 | М4×14 | М5×14 | М6×14 | М8×14 | |||||||
| 16 | М4×16 | М5×16 | М6×16 | М8×16 | М10×16 | ||||||
| 18 | М4×18 | М5×18 | М6×18 | М8×18 | |||||||
| 20 | М4×20 | М5×20 | М6×20 | М8×20 | М10×20 | М12×20 | М14×20 | М16×20 | |||
| 22 | М4×22 | М5×22 | М6×22 | М8×22 | |||||||
| 25 | М4×25 | М5×25 | М6×25 | М8×25 | М10×25 | М12×25 | М14×25 | М16×25 | |||
| 28 | М4×28 | М5×28 | М6×28 | ||||||||
| 30 | М4×30 | М5×30 | М6×30 | М8×30 | М10×30 | М12×30 | М14×30 | М16×30 | |||
| 35 | М4×35 | М5×35 | М6×35 | М8×35 | М10×35 | М12×35 | М14×35 | М16×35 | |||
| 40 | М4×40 | М5×40 | М6×40 | М8×40 | М10×40 | М12×40 | М14×40 | М16×40 | |||
| 45 | М4×45 | М5×45 | М6×45 | М8×45 | М10×45 | М12×45 | М14×45 | М16×45 | |||
| 50 | М4×50 | М5×50 | М6×50 | М8×50 | М10×50 | М12×50 | М14×50 | М16×50 | М18×50 | М20×50 | М24×50 |
| 55 | М4×55 | М5×55 | М6×55 | М8×55 | М10×55 | М12×55 | М14×55 | М16×55 | М18×55 | М20×55 | |
| 60 | М4×60 | М5×60 | М6×60 | М8×60 | М10×60 | М12×60 | М14×60 | М16×60 | М18×60 | М20×60 | |
| 65 | М4×65 | М5×65 | М6×65 | ||||||||
| 70 | М4×70 | М5×70 | М6×70 | М8×70 | М10×70 | М12×70 | М14×70 | М16×70 | М18×70 | М20×70 | |
| 75 | М4×75 | М5×75 | М6×75 | ||||||||
| 80 | М4×80 | М5×80 | М6×80 | М8×80 | М10×80 | М12×80 | М14×80 | М16×80 | М18×80 | М20×80 | |
| 85 | М4×85 | М5×85 | М6×85 | ||||||||
| 90 | М4×90 | М5×90 | М6×90 | М8×90 | М10×90 | М12×90 | М14×90 | М16×90 | М18×90 | М20×90 | |
| 95 | М5×95 | ||||||||||
| 100 | М4×100 | М5×100 | М6×100 | М8×100 | М10×100 | М12×100 | М14×100 | М16×100 | М18×100 | М20×100 | |
| 110 | М6×110 | М8×110 | М10×110 | М12×110 | М14×110 | М16×110 | М18×110 | М20×110 | |||
| 120 | М5×120 | М6×120 | М8×120 | М10×120 | М12×120 | М14×120 | М16×120 | М18×120 | М20×120 | ||
| 130 | М6×130 | М8×130 | М10×130 | М12×130 | М14×130 | М16×130 | М18×130 | М20×130 | |||
| 140 | М6×140 | М8×140 | М10×140 | М12×140 | М14×140 | М16×140 | М18×140 | М20×140 | |||
| 150 | М8×150 | М10×150 | М12×150 | М14×150 | М16×150 | М18×150 | М20×150 | ||||
| 160 | М8×160 | М10×160 | М12×160 |
| k, мм | 0,6 | 0,72 | 0,84 | 0,96 | 0,96 | 1,20 | 1,50 | 1,50 | 1,50 | 1,65 | 1,93 |
| dk, мм | 1,9 | 2,3 | 2,6 | 3 | 3 | 3,8 | 4,7 | 4,7 | 4,7 | 5,6 | 6,5 |
| шаг резьбы | 0,25 | 0,25 | 0,3 | 0,35 | 0,35 | 0,40 | 0,45 | 0,45 | 0,45 | 0,50 | 0,60 |
| d/l, мм | М1 | М1,2 | М1,4 | М1,6 | М1,7 | М2 | М2,3 | М2,5 | М2,6 | М3 | М3,5 |
| 2 | М1×2 | М1,2×2 | М1,6×2 | ||||||||
| 3 | М1×3 | М1,2×3 | М1,4×3 | М1,6×3 | М1,7×3 | М2×3 | М2,3×3 | М2,5×3 | М2,6×3 | М3×3 | |
| 4 | М1×4 | М1,2×4 | М1,4×4 | М1,6×4 | М2×4 | М2,3×4 | М2,5×4 | М2,6×4 | М3×4 | М3,5×4 | |
| 5 | М1×5 | М1,2×5 | М1,4×5 | М1,6×5 | М1,7×5 | М2×5 | М2,3×5 | М2,5×5 | М2,6×5 | М3×5 | М3,5×5 |
| 6 | М1×6 | М1,2×6 | М1,4×6 | М1,6×6 | М2×6 | М2,3×6 | М2,5×6 | М2,6×6 | М3×6 | М3,5×6 | |
| 8 | М1×8 | М1,2×8 | М1,4×8 | М1,6×8 | М2×8 | М2,3×8 | М2,5×8 | М2,6×8 | М3×8 | М3,5×8 | |
| 10 | М1×10 | М1,2×10 | М1,4×10 | М1,6×10 | М1,7×10 | М2×10 | М2,3×10 | М2,5×10 | М2,6×10 | М3×10 | М3,5×10 |
| 12 | М1,4×12 | М1,6×12 | М2×12 | М2,3×12 | М2,5×12 | М2,6×12 | М3×12 | М3,5×12 | |||
| 14 | М1,6×14 | М2×14 | М2,3×14 | М2,5×14 | М3×14 | М3,5×14 | |||||
| 16 | М1,6×16 | М2×16 | М2,3×16 | М2,5×16 | М2,6×16 | М3×16 | М3,5×16 | ||||
| 18 | М2×18 | М2,3×18 | М2,5×18 | М3×18 | М3,5×18 | ||||||
| 20 | М2×20 | М2,3×20 | М2,5×20 | М2,6х20 | М3×20 | М3,5×20 | |||||
| 22 | М2×22 | М2,3×22 | М2,5×22 | М3×22 | М3,5×22 | ||||||
| 25 | М2×25 | М2,5×25 | М3×25 | М3,5×25 | |||||||
| 28 | М2×28 | М2,5×28 | М3×28 | М3,5×28 | |||||||
| 30 | М2×30 | М2,5×30 | М3×30 | М3,5×30 | |||||||
| 35 | М2×35 | М2,5×35 | М3×35 | М3,5×35 | |||||||
| 40 | М2×40 | М3×40 | М3,5×40 | ||||||||
| 45 | М3×45 | М3,5×45 | |||||||||
| 50 | М3×50 | М3,5×50 | |||||||||
| 55 | М3×55 | М3,5×55 | |||||||||
| 60 | М3×60 | М3,5×60 |
| k, мм | 2,20 | 2,50 | 3,00 | 4,00 | 5,00 | 6,00 | 7,00 | 8,00 | 9,00 | 10,00 |
| dk, мм | 7,5 | 9,2 | 11 | 14,5 | 18 | 22 | 25 | 29 | 33 | 36 |
| шаг резьбы | 0,70 | 0,80 | 1,00 | 1,25 | 1,50 | 1,75 | 2,00 | 2,00 | 2,50 | 2,50 |
| d/l, мм | М4 | М5 | М6 | М8 | М10 | М12 | М14 | М16 | М18 | М20 |
| 4 | М4×4 | |||||||||
| 5 | М4×5 | |||||||||
| 6 | М4×6 | М5×6 | М6×6 | |||||||
| 8 | М4×8 | М5×8 | М6×8 | |||||||
| 10 | М4×10 | М5×10 | М6×10 | М8×10 | ||||||
| 12 | М4×12 | М5×12 | М6×12 | М8×12 | ||||||
| 14 | М4×14 | М5×14 | М6×14 | М8×14 | ||||||
| 16 | М4×16 | М5×16 | М6×16 | М8×16 | М10×16 | |||||
| 18 | М4×18 | М5×18 | М6×18 | М8×18 | ||||||
| 20 | М4×20 | М5×20 | М6×20 | М8×20 | М10×20 | М12×20 | М14×20 | М16×20 | ||
| 22 | М4×22 | М5×22 | М6×22 | М8×22 | ||||||
| 25 | М4×25 | М5×25 | М6×25 | М8×25 | М10×25 | М12×25 | М14×25 | М16×25 | ||
| 28 | М4×28 | М5×28 | М6×28 | |||||||
| 30 | М4×30 | М5×30 | М6×30 | М8×30 | М10×30 | М12×30 | М14×30 | М16×30 | ||
| 35 | М4×35 | М5×35 | М6×35 | М8×35 | М10×35 | М12×35 | М14×35 | М16×35 | ||
| 40 | М4×40 | М5×40 | М6×40 | М8×40 | М10×40 | М12×40 | М14×40 | М16×40 | ||
| 45 | М4×45 | М5×45 | М6×45 | М8×45 | М10×45 | М12×45 | М14×45 | М16×45 | ||
| 50 | М4×50 | М5×50 | М6×50 | М8×50 | М10×50 | М12×50 | М14×50 | М16×50 | М18×50 | М20×50 |
| 55 | М4×55 | М5×55 | М6×55 | М8×55 | М10×55 | М12×55 | М14×55 | М16×55 | М18×55 | М20×55 |
| 60 | М4×60 | М5×60 | М6×60 | М8×60 | М10×60 | М12×60 | М14×60 | М16×60 | М18×60 | М20×60 |
| 65 | М4×65 | М5×65 | М6×65 | |||||||
| 70 | М4×70 | М5×70 | М6×70 | М8×70 | М10×70 | М12×70 | М14×70 | М16×70 | М18×70 | М20×70 |
| 75 | М4×75 | М5×75 | М6×75 | |||||||
| 80 | М4×80 | М5×80 | М6×80 | М8×80 | М10×80 | М12×80 | М14×80 | М16×80 | М18×80 | М20×80 |
| 85 | М4×85 | М5×85 | М6×85 | |||||||
| 90 | М4×90 | М5×90 | М6×90 | М8×90 | М10×90 | М12×90 | М14×90 | М16×90 | М18×90 | М20×90 |
| 95 | М5×95 | |||||||||
| 100 | М4×100 | М5×100 | М6×100 | М8×100 | М10×100 | М12×100 | М14×100 | М16×100 | М18×100 | М20×100 |
| 110 | М6×110 | М8×110 | М10×110 | М12×110 | М14×110 | М16×110 | М18×110 | М20×110 | ||
| 120 | М5×120 | М6×120 | М8×120 | М10×120 | М12×120 | М14×120 | М16×120 | М18×120 | М20×120 | |
| 130 | М6×130 | М8×130 | М10×130 | М12×130 | М14×130 | М16×130 | М18×130 | М20×130 | ||
| 140 | М6×140 | М8×140 | М10×140 | М12×140 | М14×140 | М16×140 | М18×140 | М20×140 | ||
| 150 | М8×150 | М10×150 | М12×150 | М14×150 | М16×150 | М18×150 | М20×150 | |||
| 160 | М8×160 | М10×160 | М12×160 |
Выбирая сотрудничество с нами, вы доверяете профессионалам, которые ценят сотрудничество с каждой компанией. Мы предлагаем условия, выделяющие нас на рынке Республики Беларусь:
- Более чем адекватные цены: Мы работаем напрямую с ведущими производителями, что позволяет нам предлагать конкурентноспособную стоимость без ущерба для качества продукции.
- Гарантия качества и сертификация: Весь товарный ассортимент соответствует техническим стандартам.
- Статус надежного партнера: Компания «Хипакс» зарекомендовала себя как проверенный поставщик крепежных изделий. Мы гарантируем широкий ассортимент товара на складе, оперативную отгрузку и индивидуальный подход к каждому заказу.
Нужна консультация? Свяжитесь с нашими специалистами — мы поможем подобрать оптимальное решение для ваших задач по лучшей цене!







