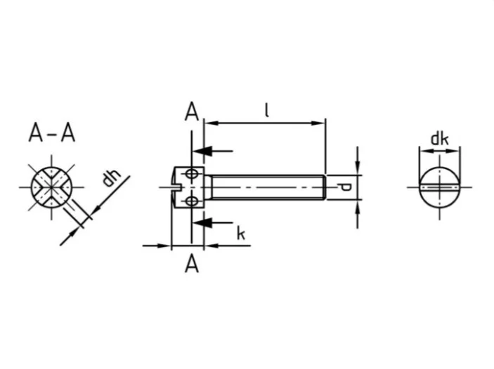
Конструктивные особенности
- Пломбировочные отверстия: Расположены перпендикулярно друг другу в головке винта, что позволяет надежно закрепить контрольную проволоку в любом положении крепежа после затяжки.
- Цилиндрическая головка: Имеет увеличенную высоту по сравнению со стандартными винтами, что обусловлено необходимостью размещения технологических отверстий без потери прочности метиза.
- Прямой шлиц (Slotted): Классический привод, позволяющий производить монтаж с помощью обычной шлицевой отвертки, что упрощает обслуживание в полевых условиях.
- Материал (Нержавеющая сталь A1): Сталь этой группы содержит добавки серы, что облегчает процесс обработки металла (сверление радиальных отверстий) и обеспечивает отличные эксплуатационные характеристики в широком диапазоне температур.
Технические преимущества
Винт DIN 404 из стали A1 обладает рядом преимуществ, выделяющих его на фоне стандартного стального крепежа:
- Защита от вскрытия: Визуальный контроль целостности пломбы позволяет мгновенно обнаружить факт вмешательства в работу узла или прибора.
- Стойкость к окислению: Нержавеющая сталь предотвращает «прикипание» резьбы и коррозию отверстий, что гарантирует сохранение эстетичного вида и функциональности пломбировочного узла на протяжении многих лет.
- Точность исполнения: Соответствие стандарту DIN 404 гарантирует строгие допуски по диаметру отверстий и геометрии шлица.
Области применения
Благодаря своим уникальным свойствам, данный крепеж незаменим в следующих сферах:
- Приборостроение: Пломбировка корпусов электросчетчиков, газовых анализаторов и других контрольно-измерительных приборов.
- Электротехника: Фиксация крышек распределительных щитов и шкафов автоматики.
- Машиностроение: Защита регулировочных узлов агрегатов, находящихся на гарантийном обслуживании.
- Авиация и судостроение: Крепление элементов, требующих обязательной контрольной фиксации проволокой от самопроизвольного раскручивания в условиях вибрации.
Рекомендации по монтажу
Для достижения максимальной эффективности рекомендуется производить затяжку с усилием, соответствующим классу прочности стали A1. После фиксации винта через радиальные отверстия продевается проволока (рекомендуемый диаметр должен быть на 0.2-0.5 мм меньше диаметра отверстия в головке) и зажимается пломбой. Это исключает возможность выкручивания винта без разрушения контрольного элемента.
| dk, мм | 5,5 | 7 | 8,5 | 10 |
| k, мм | 4 | 5 | 6,5 | 8 |
| dh, мм | 1,5 | 2 | 2,5 | 3 |
| шаг резьбы | 0,5 | 0,7 | 0,8 | 1,0 |
| d/l, мм | М3 | М4 | М5 | М6 |
| 4 | М3×4 | |||
| 5 | М3×5 | М4х5 | ||
| 6 | М3×6 | М4×6 | ||
| 8 | М3×8 | М4×8 | М5×8 | |
| 10 | М3×10 | М4×10 | М5×10 | М6х10 |
| 12 | М3×12 | М4×12 | М5×12 | М6х12 |
| 16 | М3х16 | М4×16 | М5×16 | М6х16 |
| 20 | М3х20 | М4×20 | М5×20 | М6х20 |
| 25 | М4х25 | М5х25 | М6х25 | |
| 30 | М4х30 | М5х30 | М6х30 |
- Более чем адекватные цены: Мы работаем напрямую с ведущими производителями, что позволяет нам предлагать конкурентноспособную стоимость без ущерба для качества продукции.
- Гарантия качества и сертификация: Весь товарный ассортимент соответствует техническим стандартам.
- Статус надежного партнера: Компания «Хипакс» зарекомендовала себя как проверенный поставщик крепежных изделий. Мы гарантируем широкий ассортимент товара на складе, оперативную отгрузку и индивидуальный подход к каждому заказу.
Нужна консультация? Свяжитесь с нашими специалистами — мы поможем подобрать оптимальное решение для ваших задач по лучшей цене!







