Конструктивные особенности и преимущества
Данный крепеж спроектирован для задач, где требуется высокая точность позиционирования и надежность механики:
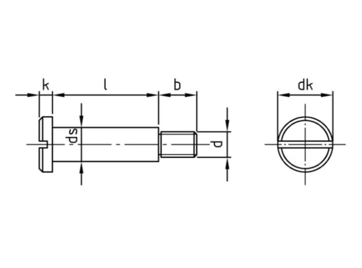
- Геометрия ступени: Тщательно откалиброванная поверхность ступени обеспечивает минимальный коэффициент трения и высокую точность посадки сопрягаемых деталей.
- Компактная головка: Уменьшенная плоская форма головки позволяет минимизировать габариты узла и обеспечить эстетичный вид конструкции, что особенно важно в приборостроении.
- Прямой шлиц (Slotted): Традиционная форма шлица упрощает монтаж с использованием стандартного инструмента и позволяет контролировать усилие затяжки в тонких механизмах.
- Нержавеющая сталь A1: Использование аустенитной стали класса A1 (AISI 303) обеспечивает отличную коррозионную стойкость в атмосферных условиях. Благодаря добавлению серы, эта сталь лучше поддается механической обработке, что гарантирует высокую точность исполнения резьбы и поверхности ступени.
Сферы применения
Винт DIN 923 является незаменимым компонентом в отраслях, требующих сочетания крепежных и осевых функций:
- Точное приборостроение: создание осей для рычагов, шестерен и стрелочных указателей.
- Машиностроение: использование в качестве ограничительных упоров, направляющих штифтов или осей для откидных элементов.
- Мебельная фурнитура: монтаж подвижных кронштейнов и декоративных складных механизмов.
- Медицинское оборудование: сборка узлов, работающих в условиях повышенной влажности, где важна стерильность и стойкость материала.
| k, мм | 1,2 | 1,8 | 2,4 | 2,7 | 3,1 | 3,8 | 4,6 |
| dk, мм | 4,5 | 7 | 8,5 | 11 | 13 | 16 | 20 |
| b, мм | 3 | 4,5 | 6 | 7 | 9 | 11 | 13,5 |
| ds, мм | 2,8 | 4 | 5,5 | 7 | 8 | 10 | 13 |
| шаг резьбы | 0,40 | 0,50 | 0,70 | 0,80 | 1,00 | 1,25 | 1,50 |
| d/l, мм | М2 | М3 | М4 | М5 | М6 | М8 | М10 |
| 2 | М3×2 | М4×2 | |||||
| 2,5 | М3×2,5 | М4×2,5 | М5×2,5 | ||||
| 3 | М3×3 | М4×3 | М5×3 | М6×3 | |||
| 4 | М3×4 | М4×4 | М5×4 | М6×4 | |||
| 5 | М3×5 | М4×5 | М5×5 | М6×5 | М8×5 | ||
| 6 | М2×6 | М3×6 | М4×6 | М5×6 | М6×6 | М8×6 | |
| 8 | М3×8 | М4×8 | М5×8 | М6×8 | М8×8 | ||
| 10 | М3×10 | М4×10 | М5×10 | М6×10 | М8×10 | М10×10 | |
| 12 | М4×12 | М5×12 | М6×12 | М8×12 | |||
| 16 | М4×16 | М5×16 | М6×16 | М8×16 | |||
| 20 | М4×20 | М6×20 | М8×20 | ||||
| 25 | М6×25 |
- Более чем адекватные цены: Мы работаем напрямую с ведущими производителями, что позволяет нам предлагать конкурентноспособную стоимость без ущерба для качества продукции.
- Гарантия качества и сертификация: Весь товарный ассортимент соответствует техническим стандартам.
- Статус надежного партнера: Компания «Хипакс» зарекомендовала себя как проверенный поставщик крепежных изделий. Мы гарантируем широкий ассортимент товара на складе, оперативную отгрузку и индивидуальный подход к каждому заказу.
Нужна консультация? Свяжитесь с нашими специалистами — мы поможем подобрать оптимальное решение для ваших задач по лучшей цене!







