Конструктивные особенности и преимущества
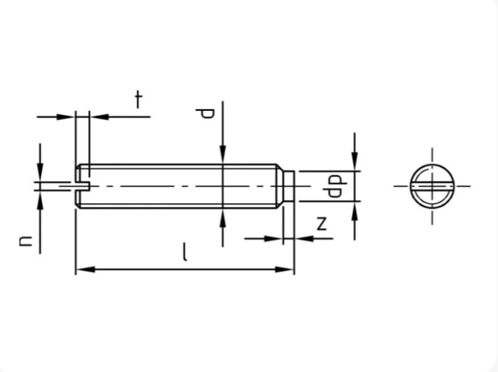
Основным отличием данной модели является наличие цилиндрического конца (цапфы). Эта конструктивная особенность позволяет винту выполнять роль направляющего элемента или стопора, который входит в заранее подготовленное отверстие или паз сопрягаемой детали. Это гарантирует надежную защиту от осевого смещения и проворачивания под воздействием крутящих нагрузок.
- Прямой шлиц: Классическое исполнение привода позволяет производить монтаж с использованием стандартного шлицевого инструмента (отвертки), что делает его универсальным для обслуживания в любых условиях.
- Отсутствие головки: Винт полностью вкручивается в тело детали, не создавая выступающих частей на поверхности узла, что критически важно для компактных механизмов и вращающихся деталей.
- Точность позиционирования: Цилиндрическая цапфа обеспечивает жесткую сцепку, минимизируя люфты в подвижных соединениях.
Материалы исполнения: Нержавеющая сталь A2 и A4
Винты изготавливаются из высококачественных аустенитных сталей, что определяет их эксплуатационные характеристики:
- Нержавеющая сталь A2 (AISI 304): Оптимальный выбор для общепромышленного применения. Обладает высокой коррозийной стойкостью в обычных условиях, экологична и сохраняет прочностные свойства при широком диапазоне температур.
- Нержавеющая сталь A4 (AISI 316): Кислотостойкая сталь, легированная молибденом. Рекомендуется для использования в химической промышленности, судостроении и в условиях контакта с агрессивными средами (хлор, морская вода, кислоты).
Области применения
Технические характеристики DIN 417 делают его незаменимым при сборке:
- Регулировочных механизмов и контрольно-измерительной аппаратуры;
- Передаточных узлов, где требуется фиксация шестерен, шкивов и кулачков на валах;
- Медицинского и пищевого оборудования, где важна чистота металла и отсутствие коррозии;
- Мебельной фурнитуры и сложных дизайнерских конструкций.
| n, мм | 0,4 | 0,4 | 0,6 | 0,8 | 1,0 | 1,2 | 1,6 | 2,0 |
| t, мм | 0,72 | 0,8 | 1,12 | 1,28 | 1,6 | 2,0 | 2,4 | 2,8 |
| dp, мм | 1,5 | 2,0 | 2,5 | 3,5 | 4,0 | 5,5 | 7,0 | 8,5 |
| z, мм | 1,25 | 1,5 | 2,0 | 2,5 | 3,0 | 4,0 | 5,0 | 6,0 |
| шаг резьбы | 0,45 | 0,5 | 0,7 | 0,8 | 1,0 | 1,25 | 1,5 | 1,75 |
| d/l, мм | М2,5 | М3 | М4 | М5 | М6 | М8 | М10 | М12 |
| 3 | М2,5х3 | М3х3 | ||||||
| 4 | М2,5х4 | М3х4 | М4х4 | |||||
| 5 | М2,5х5 | М3х5 | М4х5 | М5х5 | М6х5 | |||
| 6 | М2,5х6 | М3х6 | М4х6 | М5х6 | М6х6 | |||
| 8 | М2,5х8 | М3х8 | М4х8 | М5х8 | М6х8 | М8х8 | ||
| 10 | М2,5х10 | М3х10 | М4х10 | М5х10 | М6х10 | М8х10 | М10х10 | |
| 12 | М2,5х12 | М3х12 | М4х12 | М5х12 | М6х12 | М8х12 | М10х12 | М12х12 |
| 16 | М2,5х16 | М3х16 | М4х16 | М5х16 | М6х16 | М8х16 | М10х16 | М12х16 |
| 18 | М3х18 | М4х18 | М5х18 | М6х18 | М8х18 | М10х18 | М12х18 | |
| 20 | М3х20 | М4х20 | М5х20 | М6х20 | М8х20 | М10х20 | М12х20 | |
| 22 | М8х22 | |||||||
| 25 | М3х25 | М4х25 | М5х25 | М6х25 | М8х25 | М10х25 | М12х25 | |
| 30 | М5х30 | М6х30 | М8х30 | М10х30 | М12х30 | |||
| 35 | М6х35 | М8х35 | М10х35 | М12х35 | ||||
| 40 | М8х40 | М10х40 | М12х40 |
- Более чем адекватные цены: Мы работаем напрямую с ведущими производителями, что позволяет нам предлагать конкурентноспособную стоимость без ущерба для качества продукции.
- Гарантия качества и сертификация: Весь товарный ассортимент соответствует техническим стандартам.
- Статус надежного партнера: Компания «Хипакс» зарекомендовала себя как проверенный поставщик крепежных изделий. Мы гарантируем широкий ассортимент товара на складе, оперативную отгрузку и индивидуальный подход к каждому заказу.
Нужна консультация? Свяжитесь с нашими специалистами — мы поможем подобрать оптимальное решение для ваших задач по лучшей цене!









