Конструктивные особенности и преимущества
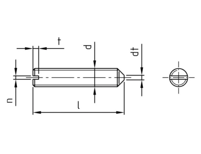
- Прямой шлиц: Традиционная форма привода позволяет производить монтаж с использованием стандартного шлицевого инструмента (отвертки) даже в условиях ограниченного пространства.
- Конический конец: Остроконечная форма наконечника гарантирует точное позиционирование и высокую удерживающую способность за счет создания точечного давления в месте контакта.
- Отсутствие головки: Тело винта имеет полную резьбу по всей длине, что позволяет устанавливать его заподлицо или глубже уровня поверхности.
Материалы исполнения: нержавеющая сталь A2 и A4
Мы предлагаем установочные винты, изготовленные из аустенитных сталей, что гарантирует долговечность соединения в различных условиях:
- Сталь A2 (AISI 304): Обладает высокой коррозионной стойкостью в обычных атмосферных условиях и пресной воде. Оптимальный выбор для пищевой, приборостроительной и мебельной промышленности. Материал нетоксичен и сохраняет прочностные характеристики при широком диапазоне температур.
- Сталь A4 (AISI 316): Благодаря добавлению молибдена (2-3%), данная сталь устойчива к воздействию кислот, щелочей и хлоридов. Рекомендуется для использования в химической отрасли, судостроении и в условиях работы с морской водой.
Области применения
Благодаря своей надежности и коррозионной стойкости, винты DIN 553 широко востребованы в следующих сферах:
- Точное приборостроение: Для фиксации мелких узлов и регулировки механизмов.
- Машиностроение: В качестве стопорного элемента для предотвращения осевого смещения деталей на валах.
- Медицинское оборудование: Гигиеничность нержавеющей стали позволяет использовать крепеж в производстве лабораторной и медицинской техники.
- Пищевая промышленность: Сопротивляемость агрессивным моющим средам и отсутствие продуктов коррозии.
При выборе типоразмера необходимо учитывать шаг резьбы и длину изделия, чтобы обеспечить достаточное заглубление конического конца для надежной фиксации узла.
| n, мм | 0,25 | 0,25 | 0,40 | 0,40 | 0,60 | 0,80 | 1,00 | 1,20 | 1,60 | |
| t, мм | 0,56 | 0,64 | 0,72 | 0,8 | 1,12 | 1,28 | 1,6 | 2 | 2,4 | |
| dt, мм | 0,16 | 0,20 | 0,25 | 0,30 | 0,40 | 0,50 | 1,50 | 2,00 | 2,50 | |
| шаг резьбы | 0,35 | 0,40 | 0,45 | 0,50 | 0,70 | 0,80 | 1,00 | 1,25 | 1,50 | 2,50 |
| d/l, мм | М1,6 | М2 | М2,5 | М3 | М4 | М5 | М6 | М8 | М10 | М20 |
| 2 | М1,6×2 | М2×2 | ||||||||
| 3 | М1,6×3 | М2×3 | М2,5×3 | М3×3 | ||||||
| 4 | М1,6×4 | М2×4 | М2,5×4 | М3×4 | М4×4 | |||||
| 5 | М1,6×5 | М2×5 | М2,5×5 | М3×5 | М4×5 | М5×5 | ||||
| 6 | М1,6×6 | М2×6 | М2,5×6 | М3×6 | М4×6 | М5×6 | М6×6 | |||
| 8 | М1,6×8 | М2×8 | М2,5×8 | М3×8 | М4×8 | М5×8 | М6×8 | М8×8 | ||
| 10 | М1,6×10 | М2×10 | М2,5×10 | М3×10 | М4×10 | М5×10 | М6×10 | М8×10 | М10×10 | |
| 12 | М2×12 | М2,5×12 | М3×12 | М4×12 | М5×12 | М6×12 | М8×12 | М10×12 | ||
| 16 | М2×16 | М2,5×16 | М3×16 | М4×16 | М5×16 | М6×16 | М8×16 | М10×16 | ||
| 18 | М3х18 | |||||||||
| 20 | М3×20 | М4×20 | М5×20 | М6×20 | М8×20 | М10×20 | ||||
| 25 | М4×25 | М5×25 | М6×25 | М8×25 | М10×25 | |||||
| 30 | М4×30 | М5×30 | М6×30 | М8×30 | М10×30 | М20×30 | ||||
| 35 | М6×35 | М8×35 | М10×35 | |||||||
| 40 | М6×40 | М8×40 | М10×40 | |||||||
| 45 | М8×45 | М10×45 | ||||||||
| 50 | М8×50 | М10×50 | ||||||||
| 60 | М8×60 | М10×60 |
| n, мм | 0,40 | 0,40 | 0,60 | 0,80 | 1,00 | 1,20 | 1,60 | 2,00 |
| t, мм | 0,72 | 0,8 | 1,12 | 1,28 | 1,6 | 2 | 2,4 | 2,8 |
| dt, мм | 0,25 | 0,30 | 0,40 | 0,50 | 1,50 | 2,00 | 2,50 | 3,0 |
| шаг резьбы | 0,45 | 0,50 | 0,70 | 0,80 | 1,00 | 1,25 | 1,50 | 2,50 |
| d/l, мм | М2,5 | М3 | М4 | М5 | М6 | М8 | М10 | М12 |
| 3 | М2,5×3 | М3×3 | ||||||
| 4 | М2,5×4 | М3×4 | М4×4 | |||||
| 5 | М2,5×5 | М3×5 | М4×5 | М5×5 | ||||
| 6 | М2,5×6 | М3×6 | М4×6 | М5×6 | М6×6 | |||
| 8 | М2,5×8 | М3×8 | М4×8 | М5×8 | М6×8 | М8×8 | ||
| 10 | М2,5×10 | М3×10 | М4×10 | М5×10 | М6×10 | М8×10 | М10×10 | |
| 12 | М2,5×12 | М3×12 | М4×12 | М5×12 | М6×12 | М8×12 | М10×12 | |
| 16 | М2,5×16 | М3×16 | М4×16 | М5×16 | М6×16 | М8×16 | М10×16 | |
| 20 | М3×20 | М4×20 | М5×20 | М6×20 | М8×20 | М10×20 | ||
| 25 | М4×25 | М5×25 | М6×25 | М8×25 | М10×25 | М12х25 | ||
| 30 | М4×30 | М5×30 | М6×30 | М8×30 | М10×30 | М12х30 | ||
| 35 | М6×35 | М8×35 | М10×35 | |||||
| 40 | М6×40 | М8×40 | М10×40 | |||||
| 45 | М8×45 | М10×45 | ||||||
| 50 | М8×50 | М10×50 | ||||||
| 60 | М8×60 | М10×60 |
Выбирая сотрудничество с нами, вы доверяете профессионалам, которые ценят сотрудничество с каждой компанией. Мы предлагаем условия, выделяющие нас на рынке Республики Беларусь:
- Более чем адекватные цены: Мы работаем напрямую с ведущими производителями, что позволяет нам предлагать конкурентноспособную стоимость без ущерба для качества продукции.
- Гарантия качества и сертификация: Весь товарный ассортимент соответствует техническим стандартам.
- Статус надежного партнера: Компания «Хипакс» зарекомендовала себя как проверенный поставщик крепежных изделий. Мы гарантируем широкий ассортимент товара на складе, оперативную отгрузку и индивидуальный подход к каждому заказу.
Нужна консультация? Свяжитесь с нашими специалистами — мы поможем подобрать оптимальное решение для ваших задач по лучшей цене!







