Конструктивные особенности и преимущества
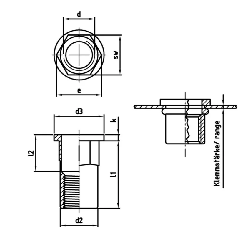
Основным отличием данной модели является полушестигранное сечение корпуса. Такая форма обеспечивает максимальное сопротивление проворачиванию в установочном отверстии по сравнению со стандартными цилиндрическими заклепками. Это критически важно при сборке конструкций, где планируется многократный монтаж и демонтаж ответной детали с приложением значительного момента затяжки.
- Цилиндрический бортик: Выступает в роли опорного фланца, обеспечивая стабильное позиционирование заклепки и распределение нагрузки на поверхность материала.
- Прецизионная внутренняя резьба: Гарантирует легкое ввинчивание болтов или винтов без риска закусывания.
- Универсальность установки: Монтаж производится с одной стороны заготовки, что позволяет работать в труднодоступных местах и с закрытыми профилями.
Материалы исполнения: Нержавеющая сталь A2 и A4
Выбор материала зависит от условий эксплуатации и требований к агрессивности среды:
- Сталь A2 (AISI 304): Оптимальна для использования в общепромышленном строительстве, мебельном производстве и машиностроении. Обладает высокой коррозионной стойкостью в обычных атмосферных условиях и пресной воде.
- Сталь A4 (AISI 316): Кислотостойкая модификация, легированная молибденом. Рекомендуется для применения в химической промышленности, судостроении и в конструкциях, контактирующих с морской водой или хлорированной средой.
Области применения
Благодаря высокой надежности и коррозионной стойкости, заклепка арт. 1029 широко востребована в следующих сферах:
- Производство промышленного оборудования и электротехнических шкафов.
- Пищевая и фармацевтическая промышленность (сталь A2/A4 соответствует строгим гигиеническим нормам).
- Автомобилестроение и транспортное машиностроение.
- Монтаж фасадных систем и металлических ограждений.
| d | d2, мм | d3, мм | l2, мм | k, мм | e, мм | sw, мм | l1, мм | рекомендуемая толщина крепления, мм |
| М3 | 4,9 | 8 | 4,5 | 0,75 | 5,45 | 5 | 9 | 0,3-1,8 |
| М4 | 6 | 9,3 | 6 | 1 | 6,8 | 6 | 11,5 | 0,5-2,5 |
| М5 | 7 | 10,3 | 7,5 | 1 | 7,9 | 7 | 13,5 | 0,5-3,0 |
| М6 | 9 | 12,3 | 8 | 1,5 | 10,2 | 9 | 15,5 | 0,5-3,0 |
| М8 | 11 | 14,3 | 8,5 | 1,5 | 12,4 | 11 | 17,5 | 0,5-3,0 |
| М10 | 12,9 | 16,3 | 9,7 | 2 | 14,7 | 13 | 22 | 1,0-4,0 |
| М12 | 15,9 | 23 | 10,5 | 2 | 17,6 | 16 | 26 | 1,0-4,0 |
- Более чем адекватные цены: Мы работаем напрямую с ведущими производителями, что позволяет нам предлагать конкурентноспособную стоимость без ущерба для качества продукции.
- Гарантия качества и сертификация: Весь товарный ассортимент соответствует техническим стандартам.
- Статус надежного партнера: Компания «Хипакс» зарекомендовала себя как проверенный поставщик крепежных изделий. Мы гарантируем широкий ассортимент товара на складе, оперативную отгрузку и индивидуальный подход к каждому заказу.
Нужна консультация? Свяжитесь с нашими специалистами — мы поможем подобрать оптимальное решение для ваших задач по лучшей цене!





