Конструктивные особенности и преимущества
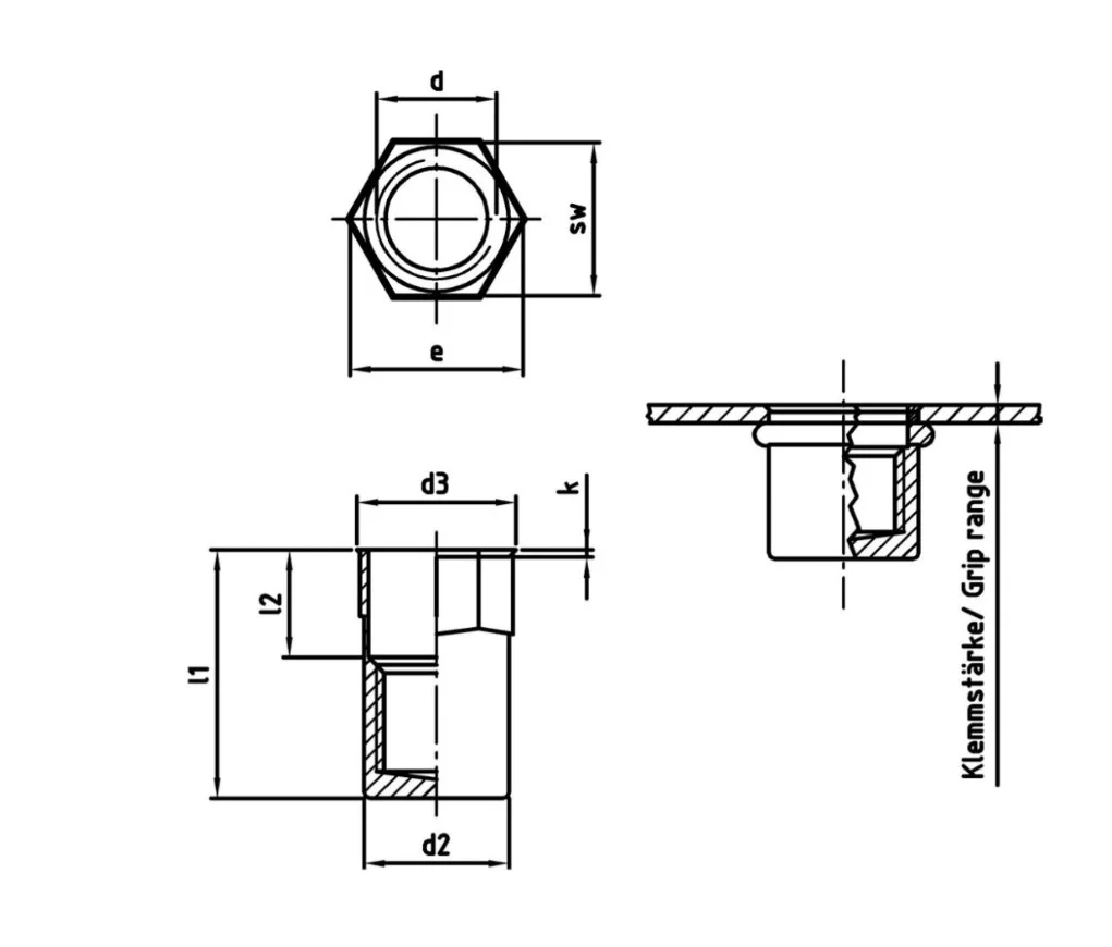
- Полушестигранное тело: Специальная геометрия стержня обеспечивает максимальную сопротивляемость крутящему моменту. В отличие от цилиндрических аналогов, такая заклепка полностью исключает риск проворачивания в посадочном отверстии даже при высоких динамических нагрузках.
- Уменьшенный бортик (малый фланец): Позволяет устанавливать заклепку практически впотай, минимизируя зазор между соединяемыми деталями. Это критично для узлов, где требуется эстетичный внешний вид или плотное прилегание сопрягаемых поверхностей без дополнительного зенкования.
- Глухое исполнение: Закрытый конец заклепки предотвращает попадание влаги, пыли и агрессивных сред внутрь соединения и за пределы конструкции. Это обеспечивает полную герметичность резьбового узла и защиту внутренней резьбы от коррозии.
- Материал исполнения: Изготавливается из аустенитных сталей A2 (AISI 304) и A4 (AISI 316). Сталь A2 обладает высокой коррозионной стойкостью в обычных условиях, а сталь A4 дополнена молибденом, что позволяет использовать крепеж в кислотосодержащих и соленых морских средах.
Технические характеристики и применение
Данный тип заклепки устанавливается с помощью специализированного заклепочного инструмента (болтового типа). Процесс деформации гильзы создает прочное механическое соединение, которое сохраняет геометрию резьбы внутри изделия.
Сферы применения:
- Пищевая и химическая промышленность (благодаря гигиеничности и стойкости нержавеющей стали).
- Судостроение и морская инженерия (версии из стали A4).
- Производство электротехнических шкафов и серверного оборудования, где важна пыле- и влагозащита (IP-рейтинг).
- Автомобилестроение и приборостроение.
| d | l1, мм | d2, мм | sw | k, мм | d3 мм | l2, мм |
| 3 | 15,5 | 4,9 | 4,9 | 0,5 | 6 | 4,2 |
| 4 | 16,5 | 5,9 | 5,9 | 0,6 | 7 | 4,5 |
| 5 | 19 | 6,9 | 6,9 | 8 | 5,2 | |
| 6 | 22 | 8,9 | 8,9 | 10 | 6,3 | |
| 8 | 25 | 10,9 | 10,9 | 12 | 6,8 | |
| 10 | 30 | 12,9 | 12,9 | 14 | 9 | |
| 12 | 31,1 | 15,9 | 15,9 | 17,5 | 9,3 |
- Более чем адекватные цены: Мы работаем напрямую с ведущими производителями, что позволяет нам предлагать конкурентноспособную стоимость без ущерба для качества продукции.
- Гарантия качества и сертификация: Весь товарный ассортимент соответствует техническим стандартам.
- Статус надежного партнера: Компания «Хипакс» зарекомендовала себя как проверенный поставщик крепежных изделий. Мы гарантируем широкий ассортимент товара на складе, оперативную отгрузку и индивидуальный подход к каждому заказу.
Нужна консультация? Свяжитесь с нашими специалистами — мы поможем подобрать оптимальное решение для ваших задач по лучшей цене!







