Преимущества материалов: Нержавеющая сталь A2 и A4
Использование аустенитных сталей делает данный метиз практически универсальным для сложных условий эксплуатации:
- Сталь A2 (AISI 304): Обладает высокой коррозионной стойкостью в обычных атмосферных условиях, пресной воде и при воздействии некоторых органических кислот. Идеальна для пищевого машиностроения и приборостроения.
- Сталь A4 (AISI 316): Благодаря добавлению 2-3% молибдена, заклепки из этого материала устойчивы к воздействию агрессивных сред, таких как хлориды (морская вода) и сильные кислоты. Рекомендуется для химической промышленности и судостроения.
Сферы применения
Благодаря соответствию международному стандарту ISO 15984 и высоким прочностным характеристикам, данные заклепки востребованы в следующих отраслях:
- Пищевая промышленность: Монтаж емкостей и оборудования, где важна гигиеничность и отсутствие коррозии.
- Архитектура и дизайн: Создание фасадных конструкций и декоративных панелей, где требуется скрытый монтаж (впотай).
- Транспортное машиностроение: Сборка кузовов, обшивки вагонов и спецтехники, подвергающейся вибрационным нагрузкам.
- Химическая отрасль: Работа в условиях постоянного контакта с агрессивными химическими реагентами.
Технические преимущества монтажа
Использование вытяжной технологии позволяет производить монтаж при наличии доступа к конструкции только с одной стороны. При этом обеспечивается высокая герметичность и устойчивость соединения к динамическим нагрузкам.
Важно: Для достижения максимальной прочности соединения необходимо правильно подбирать диаметр сверла (обычно на 0.1 мм больше диаметра тела заклепки) и учитывать толщину скрепляемого пакета материалов для корректного формирования замыкающей головки.
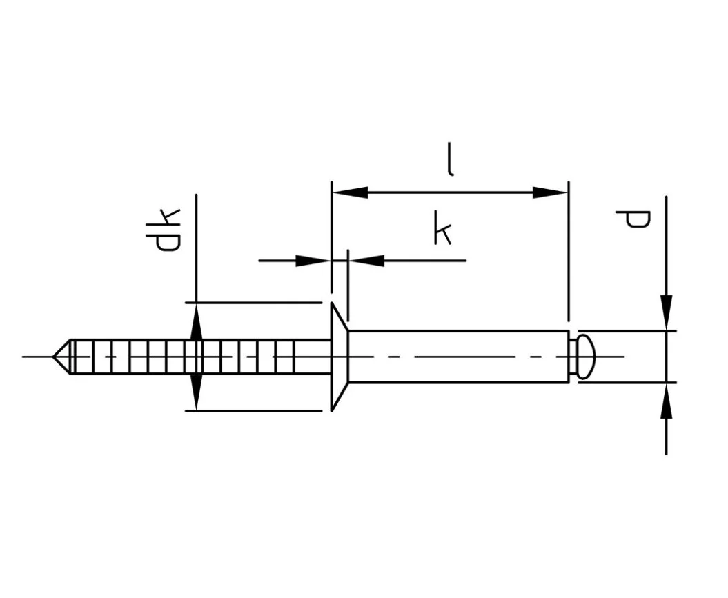
| k, мм | 1,3 | 1,3 | 1,7 | 2 | 2,1 |
| dk, мм | 6,3 | 6,7 | 8,4 | 10,1 | 10,5 |
| d, мм | 3,0 | 3,2 | 4,0 | 4,8 | 5,0 |
| l, мм | Рекомендуемая толщина крепления, мм | ||||
| 6 | 1,5-3,0 | 1,5-3,0 | |||
| 8 | 3,0-5,0 | 3,0-5,0 | 2,5-4,5 | 2,5-4,0 | 2,4-4,0 |
| 10 | 5,0-6,5 | 5,0-6,5 | 4,5-6,5 | 4,0-6,0 | 4,0-6,0 |
| 12 | 6,5-8,5 | 6,5-8,5 | 6,5-8,5 | 6,0-8,0 | 6,0-8,0 |
| 14 | 8,5-10,0 | 7,0-9,0 | 7,0-9,0 | ||
| 16 | 10,0-12,0 | 8,0-11,0 | 8,0-11,0 | ||
| 18 | 12,0-14,0 | 11,0-13,0 | 11,0-13,0 | ||
| 20 | 14,0-16,0 | 13,0-16,0 | 13,0-15,0 | ||
| 25 | 15,0-17,0 | 15,0-17,0 | |||
| 30 | 17,0-19,0 | 17,0-19,0 | |||
- Более чем адекватные цены: Мы работаем напрямую с ведущими производителями, что позволяет нам предлагать конкурентноспособную стоимость без ущерба для качества продукции.
- Гарантия качества и сертификация: Весь товарный ассортимент соответствует техническим стандартам.
- Статус надежного партнера: Компания «Хипакс» зарекомендовала себя как проверенный поставщик крепежных изделий. Мы гарантируем широкий ассортимент товара на складе, оперативную отгрузку и индивидуальный подход к каждому заказу.
Нужна консультация? Свяжитесь с нашими специалистами — мы поможем подобрать оптимальное решение для ваших задач по лучшей цене!







