Технические характеристики и особенности конструкции
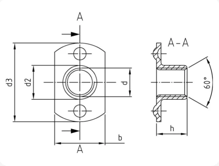
Изделие выполнено в форме прямоугольного блока, что предотвращает проворачивание гайки в процессе монтажа и эксплуатации. В отличие от стандартных шестигранных гаек, ART 9060 разработана специально для интеграции в узлы, где требуется высокая прочность на отрыв и кручение при минимальной толщине базового материала.
- Стандарт: Аналог заводского стандарта ART 9060.
- Тип исполнения: Тип А (с двумя выступами для сварки).
- Тип резьбы: Метрическая, стандартный шаг.
- Способ монтажа: Контактная сварка, обеспечивающая гомогенное соединение с поверхностью основания.
Материал изготовления: Нержавеющая сталь A2 и A4
Для эксплуатации в различных средах гайка поставляется в двух вариантах высоколегированной стали:
- Нержавеющая сталь A2 (AISI 304): Обладает высокой коррозийной стойкостью в обычных атмосферных условиях и пресной воде. Идеально подходит для пищевой, химической промышленности и общего машиностроения.
- Нержавеющая сталь A4 (AISI 316): Благодаря добавлению 2-3% молибдена, данный сплав устойчив к воздействию кислот и хлоридов. Рекомендуется для использования в судостроении, бассейнах и на объектах химического производства с агрессивной средой.
Преимущества использования приварной гайки ART 9060
- Механическая стабильность: После сварки гайка становится единым целым с заготовкой, что исключает риск самопроизвольного отвинчивания или выпадения при вибрационных нагрузках.
- Работа с тонким листом: Позволяет организовать надежное резьбовое отверстие там, где нарезание резьбы в самом металле невозможно из-за его малой толщины.
- Отсутствие деформации: Конструкция с двумя точками контакта позволяет локализовать зону нагрева, минимизируя термическое воздействие на лицевую сторону детали.
- Долговечность: Нержавеющие стали исключают необходимость дополнительного антикоррозийного покрытия после сварки (при условии соблюдения технологии пассивации швов).
Сферы применения
Благодаря своей надежности и компактным габаритам, гайка ART 9060 широко применяется в следующих отраслях:
- Автомобилестроение и производство спецтехники;
- Изготовление корпусов электроники и серверного оборудования;
- Производство бытовой техники и профессионального кухонного оборудования;
- Строительство резервуаров и емкостей из нержавеющей стали.
Обратите внимание: для достижения максимальной прочности соединения необходимо правильно подбирать параметры сварочного тока и давление электродов в зависимости от размера гайки и толщины базового листа.
| d | d2, мм | d3, мм | h, мм | b, мм |
| М4 | 5,5 | 17 | 6 | 9 |
| М5 | 6,5 | 19 | 7,5 | 11 |
| М6 | 7,1 | 19 | 7,5 | 11 |
| М8 | 9,05 | 22 | 8,5 | 14 |
- Более чем адекватные цены: Мы работаем напрямую с ведущими производителями, что позволяет нам предлагать конкурентноспособную стоимость без ущерба для качества продукции.
- Гарантия качества и сертификация: Весь товарный ассортимент соответствует техническим стандартам.
- Статус надежного партнера: Компания «Хипакс» зарекомендовала себя как проверенный поставщик крепежных изделий. Мы гарантируем широкий ассортимент товара на складе, оперативную отгрузку и индивидуальный подход к каждому заказу.
Нужна консультация? Свяжитесь с нашими специалистами — мы поможем подобрать оптимальное решение для ваших задач по лучшей цене!








