Конструктивные особенности и принцип работы
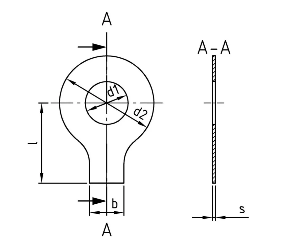
Изделие представляет собой плоское кольцо с выступающей «лапкой». Процесс монтажа включает два этапа фиксации:
- Лапка загибается за край станины или сопряженной детали.
- Край самой шайбы отгибается на одну из граней шестигранной головки болта или гайки.
Такая конфигурация создает физический барьер для вращения метиза, гарантируя стабильность соединения даже при критических нагрузках.
Материалы исполнения: А2 и А4
Мы предлагаем стопорные шайбы из аустенитных нержавеющих сталей, что существенно расширяет сферу их применения:
Нержавеющая сталь А2 (AISI 304):
- Обладает высокой коррозийной стойкостью в обычных атмосферных условиях и пресной воде.
- Сохраняет прочностные характеристики при низких и высоких температурах.
- Экологически безопасна, что позволяет использовать её в пищевом и медицинском оборудовании.
Нержавеющая сталь А4 (AISI 316):
- Благодаря добавлению 2-3% молибдена, устойчива к воздействию кислот и щелочей.
- Идеально подходит для работы в агрессивных средах: морская вода, хлорсодержащие растворы, химические производства.
- Обладает повышенной долговечностью в условиях промышленного смога.
Технические характеристики и стандарты
Изделие строго соответствует немецкому стандарту DIN 93. Его международным аналогом является стандарт ISO 1891. В технической документации шайба часто обозначается как «стопорная шайба с одной лапкой».
Преимущества использования:
- Высокая пластичность нержавеющей стали позволяет производить многократный загиб лапки без образования трещин (в пределах допусков).
- Отсутствие магнитных свойств (у стали А2 выражено слабо, у А4 практически отсутствует).
- Эстетичный внешний вид и отсутствие необходимости в дополнительном защитном покрытии.
Области применения
Благодаря своим стопорящим свойствам и коррозийной стойкости, шайба DIN 93 активно применяется в:
- Машиностроении и станкостроении (фиксация валов, осей и двигателей).
- Судостроении и портовой инфраструктуре (вариант А4).
- Насосном оборудовании и запорной арматуре нефтегазового сектора.
- Сборке металлоконструкций, эксплуатируемых на открытом воздухе.
| совместимая резьба | d1, мм | d2, мм | b, мм | l, мм | s, мм |
| М4 | 4,3 | 14 | 5 | 14 | 0,38 |
| М5 | 5,3 | 17 | 6 | 16 | 0,5 |
| М6 | 6,4 | 19 | 7 | 18 | 0,5 |
| М8 | 8,4 | 22 | 8 | 20 | 0,75 |
| М10 | 10,5 | 26 | 10 | 22 | 0,75 |
| М12 | 13 | 30 | 12 | 28 | 1 |
| М14 | 15 | 33 | 12 | 28 | 1 |
| М16 | 17 | 35 | 15 | 32 | 1 |
| М18 | 19 | 40 | 18 | 36 | 1 |
| М20 | 21 | 42 | 18 | 36 | 1 |
| М22 | 23 | 50 | 20 | 42 | 1 |
| М24 | 25 | 50 | 20 | 42 | 1 |
| М27 | 28 | 58 | 23 | 48 | 1,6 |
| М30 | 31 | 63 | 26 | 52 | 1,6 |
| М33 | 34 | 68 | 28 | 56 | 1,6 |
| М36 | 37 | 75 | 30 | 60 | 1,6 |
| М39 | 40 | 82 | 32 | 64 | 1,6 |
Выбирая сотрудничество с нами, вы доверяете профессионалам, которые ценят сотрудничество с каждой компанией. Мы предлагаем условия, выделяющие нас на рынке Республики Беларусь:
- Более чем адекватные цены: Мы работаем напрямую с ведущими производителями, что позволяет нам предлагать конкурентноспособную стоимость без ущерба для качества продукции.
- Гарантия качества и сертификация: Весь товарный ассортимент соответствует техническим стандартам.
- Статус надежного партнера: Компания «Хипакс» зарекомендовала себя как проверенный поставщик крепежных изделий. Мы гарантируем широкий ассортимент товара на складе, оперативную отгрузку и индивидуальный подход к каждому заказу.
Нужна консультация? Свяжитесь с нашими специалистами — мы поможем подобрать оптимальное решение для ваших задач по лучшей цене!







