Технические особенности и преимущества
- Высокое прижимное усилие: Конструкция в форме тарелки обеспечивает прогрессивную пружинную характеристику, что позволяет сохранять предварительный натяг даже при значительных осевых нагрузках.
- Защита от самоотвинчивания: Эффективно предотвращает ослабление резьбовых соединений (болтов, винтов) под воздействием динамических и вибрационных факторов.
- Совместимость с высокопрочным крепежом: Геометрия и жесткость DIN 6796 оптимально подходят для совместного использования с болтами классов прочности 8.8 и выше.
- Долговечность: Использование нержавеющих сталей исключает риск коррозионного разрушения в ответственных узлах.
Характеристики материалов: A2 и A4
Мы предлагаем шайбы из двух типов аустенитных сталей, подбираемых в зависимости от условий эксплуатации:
- Нержавеющая сталь A2 (AISI 304): Оптимальный выбор для общепромышленного применения, строительства и машиностроения. Обладает высокой стойкостью к атмосферной коррозии и сохраняет прочностные свойства при широком диапазоне температур.
- Нержавеющая сталь A4 (AISI 316): Кислотостойкая сталь с добавлением молибдена. Рекомендуется для использования в агрессивных средах: химическая промышленность, судостроение, прибрежные зоны и бассейны (стойкость к хлоридам).
Области применения
Тарельчатые шайбы DIN 6796 находят применение в узлах, требующих жесткого контроля натяжения:
- Энергетическое оборудование и тяжелое машиностроение;
- Фланцевые соединения трубопроводов;
- Автомобилестроение и станкостроение;
- Монтаж металлоконструкций, подверженных температурным колебаниям.
Критерии выбора
При подборе шайбы необходимо учитывать:
- Номинальный диаметр: Соответствие диаметру резьбы болта (от М2 до М30 и выше).
- Условия среды: Выбор между марками A2 и A4 на основе коррозионной активности окружения.
- Толщина изделия: Влияет на жесткость и конечное усилие сжатия в узле.
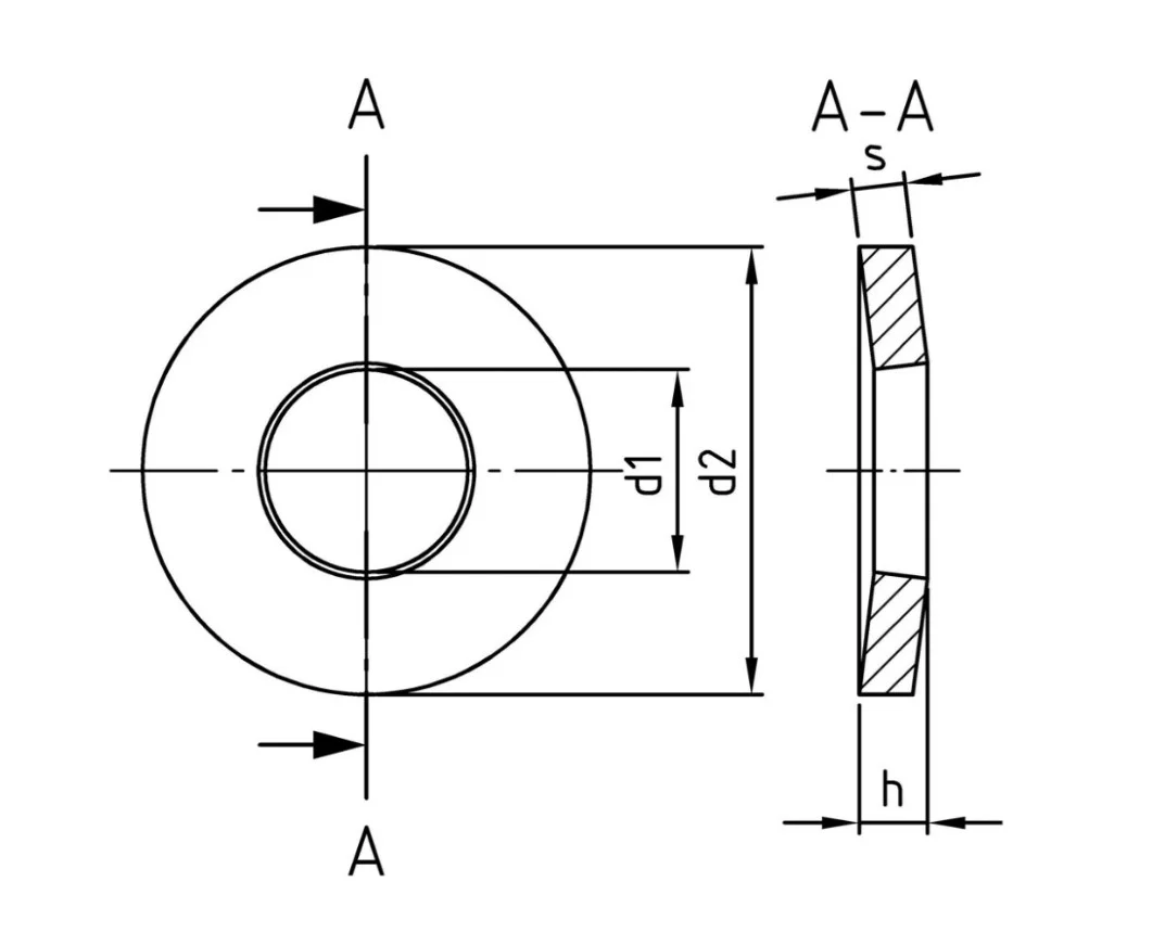
| совместимая резьба | d1, мм | d2, мм | h, мм | s, мм |
| М3 | 3,2 | 7 | 0,85 | 0,6 |
| М4 | 4,3 | 9 | 1,3 | 1 |
| М5 | 5,3 | 11 | 1,55 | 1,2 |
| М6 | 6,4 | 14 | 2 | 1,5 |
| М8 | 8,4 | 18 | 2,6 | 2 |
| М10 | 10,5 | 23 | 3,2 | 2,5 |
| М12 | 13 | 29 | 3,95 | 3 |
| М14 | 15 | 35 | 4,65 | 3,5 |
| М16 | 17 | 39 | 5,25 | 4 |
| М18 | 19 | 42 | 5,8 | 4,5 |
| М20 | 21 | 45 | 6,4 | 5 |
| М22 | 23 | 49 | 7,05 | 5,5 |
| М24 | 25 | 56 | 7,75 | 6 |
Выбирая сотрудничество с нами, вы доверяете профессионалам, которые ценят сотрудничество с каждой компанией. Мы предлагаем условия, выделяющие нас на рынке Республики Беларусь:
- Более чем адекватные цены: Мы работаем напрямую с ведущими производителями, что позволяет нам предлагать конкурентноспособную стоимость без ущерба для качества продукции.
- Гарантия качества и сертификация: Весь товарный ассортимент соответствует техническим стандартам.
- Статус надежного партнера: Компания «Хипакс» зарекомендовала себя как проверенный поставщик крепежных изделий. Мы гарантируем широкий ассортимент товара на складе, оперативную отгрузку и индивидуальный подход к каждому заказу.
Нужна консультация? Свяжитесь с нашими специалистами — мы поможем подобрать оптимальное решение для ваших задач по лучшей цене!






