Технические особенности и преимущества
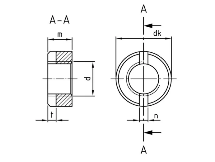
- Конструктивная эргономика: Круглая форма позволяет устанавливать гайку в специально подготовленные углубления (цековки), обеспечивая монтаж «заподлицо». Это минимизирует риск зацепов и механических повреждений выступающими частями крепежа.
- Удобство монтажа: Наличие прямого шлица позволяет производить затяжку и ослабление соединения при помощи обычной шлицевой отвертки, что удобно в приборостроении и точной механике.
- Высокая точность: Гайки DIN 546 изготавливаются с жесткими допусками, что гарантирует идеальную центровку и плотную посадку на болт или шпильку.
Материалы исполнения
Выбор материала зависит от агрессивности среды, в которой будет эксплуатироваться узел:
- Нержавеющая сталь A1 (AISI 303): Содержит добавки (например, серу), которые улучшают обрабатываемость стали. Обладает хорошей коррозионной стойкостью в обычных атмосферных условиях. Оптимальна для серийного производства деталей на станках-автоматах.
- Нержавеющая сталь A4 (AISI 316): Благодаря добавлению 2–3% молибдена, сталь этой марки обладает исключительной стойкостью к воздействию кислот, щелочей и соленой морской воды. Рекомендуется для применения в химической, пищевой и судостроительной промышленности.
Сферы применения
Благодаря своим уникальным характеристикам, шлицевая круглая гайка DIN 546 широко востребована в следующих отраслях:
- Приборостроение и электроника: Фиксация элементов на панелях управления и внутри корпусов оборудования.
- Оптическая промышленность: Сборка линзовых оправ и высокоточных измерительных приборов.
- Машиностроение: Создание компактных разъемных соединений в механизмах с ограниченным пространством.
- Мебельное производство и дизайн: Использование в качестве декоративного крепежа в изделиях из металла и стекла.
При подборе гайки DIN 546 важно учитывать шаг резьбы и глубину шлица для обеспечения необходимого момента затяжки без деформации крепежного элемента.
| d | шаг резьбы, мм | dk, мм | m, мм | n, мм | t, мм |
| М2 | 0,4 | 4,5 | 2 | 1 | 0,8 |
| М2,5 | 0,45 | 5,5 | 2,2 | 1,2 | 0,9 |
| М3 | 0,5 | 6 | 2,5 | 1,2 | 1 |
| М3,5 | 0,6 | 7 | 3 | 1,4 | 1 |
| М4 | 0,7 | 8 | 3,5 | 1,4 | 1,2 |
| М5 | 0,8 | 9 | 4,2 | 2 | 1,5 |
| М6 | 1,0 | 11 | 5 | 2,5 | 2 |
| М8 | 1,25 | 14 | 6,5 | 3 | 2,5 |
| М10 | 1,5 | 18 | 8 | 3,5 | 3,2 |
Выбирая сотрудничество с нами, вы доверяете профессионалам, которые ценят сотрудничество с каждой компанией. Мы предлагаем условия, выделяющие нас на рынке Республики Беларусь:
- Более чем адекватные цены: Мы работаем напрямую с ведущими производителями, что позволяет нам предлагать конкурентноспособную стоимость без ущерба для качества продукции.
- Гарантия качества и сертификация: Весь товарный ассортимент соответствует техническим стандартам.
- Статус надежного партнера: Компания «Хипакс» зарекомендовала себя как проверенный поставщик крепежных изделий. Мы гарантируем широкий ассортимент товара на складе, оперативную отгрузку и индивидуальный подход к каждому заказу.
Нужна консультация? Свяжитесь с нашими специалистами — мы поможем подобрать оптимальное решение для ваших задач по лучшей цене!









